вид  
22 Апреля 2026г, Среда€ — 87.7659,  $ — 74.5897загрузить приложение Armtorg.News для Андроидзагрузить приложение Armtorg.News для iphone




Электропневматический позиционер ЭПП 300

ПОИСК

Электропневматический позиционер ЭПП 300 Электропневматический позиционер ЭПП 300

Электропневматический позиционер ЭПП 300 является регулятором в следящей системе, который обеспечивает заданную координацию положения пневматического исполнительного механизма поступательного или поворотного действия (регулируемой величины) и командного сигнала (задающей величины). В зависимости от выбранного режима работы, задающей величиной может быть аналоговый сигнал постоянного тока Iу=4…20 мА, команда, переданная по каналу цифрового обмена HART или задание, введенное оператором вручную.



Устройство и принцип работы:


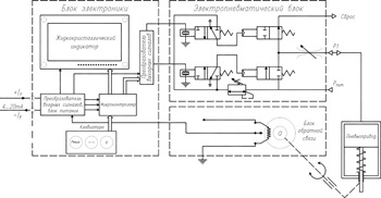
Структурно ЭПП 300 состоит из трех блоков:
блока электроники, электропневматического блока и блока обратной связи.

Блок электроники является информационной системой на базе микропроцессора и предназначен для обработки команд HART-протокола, сигналов управления и обратной связи, питания всех подсистем ЭПП, индикации и кнопочного управления его состоянием в момент настройки и работы. Электропневматический блок представляет собой дискретный двухкаскадный двухканальный усилитель-преобразователь с электропъезоклапаном в первом каскаде и одномембранным пневмоусилителем – во втором. Объединенный выход вторых каскадов обеспечивает питание исполнительного механизма в режиме нагнетания и сброса. Блок обратной связи предназначен для выдачи электрического сигнала, пропорционального текущему положению исполнительного механизма. Этот блок выполнен на основе поворотного потенциометра и одноступенчатого шестеренного редуктора.

ЭПП 300 имеет встроенный HART-модем, монтажно размещенный на единой плате с электроникой управления позиционера. HART-модем позволяет по токовой петле обеспечивать обмен информацией с операторской, при этом имеется возможность управления как по аналоговой, так и по HART-линии. Наличие такого модема существенно облегчает интеграцию ЭПП 300 в современной АСУТП. Перед переходом в рабочий режим ЭПП 300 производит автоматическую настройку параметров закона управления и определение границы крайних положений исполнительного механизма (ИМ). В дальнейшем, параметры закона управления могут корректироваться вручную.

ЭПП 300 может работать в ручном или автоматическом режиме. В автоматическом режиме источником управления могут быть: ручной ввод, токовая петля или команда HART- протокола. ЭПП 300 позволяет задавать любые значения токового управляющего сигнала для минимального и максимального положения ИМ в пределах 4…20 мА, в том числе использовать инверсную характеристику управления. Эти функциональные возможности ЭПП 300 используются, если необходимо управлять двумя и более регулирующими клапанами одним управляющим сигналом. Например, первый регулирующий клапан работает в диапазоне 4…12 мА, а второй – в диапазоне 12…20 мА. При этом повышается точность и КПД в зоне работы каждого регулирующего клапана. ЭПП позволяет также производить регулирование в произвольном диапазоне хода регулирующего клапана, например, в диапазоне 20%…30% и т.д.

Дополнительно ЭПП позволяет:

задавать 6 видов нелинейной характеристики Kv=f(h), где h-ход регулирующего клапана;
выводить диагностическую информацию о работе регулирующего клапана: количество срабатываний пьезоклапанов, суммарный ход штока, и т.д.
реализовать функцию «дожатия» при закрытии (открытии) регулирующего клапана;
змерять утечки из пневмопривода и соединительных трубопроводов;
производить калибровку АЦП

Технические параметры:

Рабочий ход для поступательного движения ИМ, мм
для поворотного движения ИМ, град

5…130
90

Маркировка взрывобезопасности

0ExiaIICT6 Х>

Уровень пылевлагозащиты

IP65

Температура окружающей среды, °С

-50…+70 *

Относительная влажность воздуха при t=35°С, %

95

Управляющий сигнал Iу, мА

4…20

Минимальный ток питания Iу min, мА

3,8

Необходимое напряжение нагрузки, В (при 20мА)

≤8

Входное сопротивление при 20 мА

400 Ом

Давления воздуха питания, кгс/см2

1,4…6,0

Утечка в нейтрали, см3/мин, не более

1

Кабельный ввод Ø, мм

≤13

Пневмосоединения

M16x1,5; M18x1,5

Габаритные размеры корпуса, мм

162x108x112

Материал корпуса

AK12М2

Материал пневмоблока

Д16Т

Масса, кг

1,1


Габаритные размеры:


Предыдущая статья Следующая статья


← вернуться в раздел ГОСТ 9544-93 Арматура трубопроводназапорна Нормы герметичности затворов
← вернуться в оглавление справочника

Последние зарегистрированные компании(Зарегистрировать компанию)

АО «УралТехКомплектация»

АО «УралТехКомплектация»

Россия, Челябинская область

ООО ЗАВОД ПРОМЭНЕРГЕТИКА

ООО ЗАВОД "ПРОМЭНЕРГЕТИКА"

Россия, Челябинская область

АрМет

АрМет

Россия, Иркутская область


Облако товаров
.Другое ....2103 Блоки предохранительных клапанов166 Вентили бронзовые161 Вентили стальные933 Вентили чугунные554 Вентили энергетические146 Задвижки нержавеющие373 Задвижки стальные2167 Задвижки стальные - ХЛ371 Задвижки чугунные1105 Задвижки энергетические87 Затворы стальные304 Затворы чугунные336 Испытательное оборудование для ТПА119 Клапана обратные970 Клапана отсечные61 Клапана предохранительные1127 Клапана регулирующие575 Клапана энергетические128 Компенсаторы сильфонные203 Конденсатоотводчики стальные63 Конденсатоотводчики чугунные70 Котельное оборудование220 Краны бронзовые149 Краны нержавеющие179 Краны стальные610 Краны стальные - ХЛ87 Краны чугунные149 Манометры88 Метизы433 Насосы247 Отводы1069 Отопительное оборудование96 Переключающие устройства46 Переходы441 Пожарная арматура48 Радиаторы33 Регулирующая арматура369 Ремонтное оборудование для ТПА53 Счетчики воды176 Термометры57 Тройники492 Трубы1157 Указатели уровня72 Уплотнительные материалы67 Фильтры, грязевики410 Фитинги206 Фланцы2414 Шаровые краны1251 Электроприводы261