Часовой пояс: UTC + 3 часа [ Летнее время ]




Начать новую тему Ответить на тему
 Страница 2 из 6  [ Сообщений: 293 ]  На страницу Пред.  1, 2, 3, 4, 5, 6  След.
Автор Сообщение
Непрочитанное сообщениеДобавлено: 11 ноя 2015, 14:40 
Аватара пользователя
 Ответить с цитатой Ответить на тему 
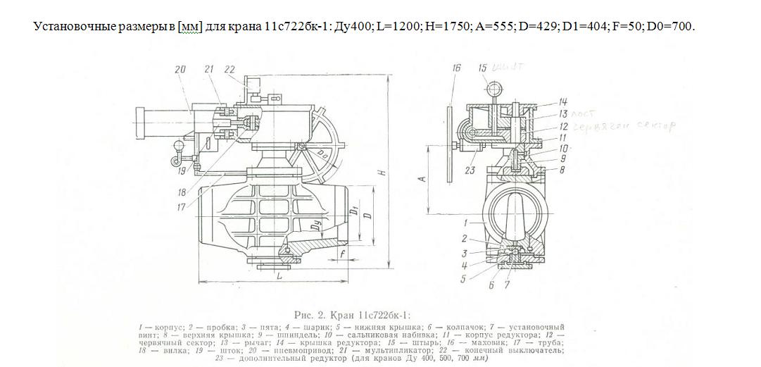
Добрый день. Хотел бы узнать, кто на данный момент производит такую арматуру:
- обозначение: 11с722бк-1 (Пробковой кран для природного газа с мультипликатором для смазки и пневмо приводом)


МосЦКБА. Консультации по подбору и рекомендациям ТПА / 1.JPG
59.54 КБ, Просмотров: 99201
Вернуться к началу
  Ответить с цитатой Ответить на тему   
Непрочитанное сообщениеДобавлено: 12 ноя 2015, 12:27 
Не в сети
Аватара пользователя

Зарегистрирован: 29 июл 2015, 14:23
Сообщения: 133
Откуда: Московское Центральное конструкторское бюро арматуростроения
Благодарил (а): 0 раз.
Поблагодарили: 16 раз.
Заслуженная репутация: 0
 Ответить с цитатой Ответить на тему 
Sergey Krustev. писал(а):

Добрый день. Хотел бы узнать, кто на данный момент производит такую арматуру:
- обозначение: 11с722бк-1 (Пробковой кран для природного газа с мультипликатором для смазки и пневмо приводом)

Здравствуйте. Эта продукция ранее выпускалась на Алексинском заводе тяжелой промышленной арматуры и была снята с производства около 20 лет назад. Полагаем, что сейчас такие краны в России никто не выпускает. Взамен им на целом ряде отечественных предприятий был освоено производство шаровых кранов. Предлагаем Вам подобрать замену из кранов, ныне выпускаемых на АО «Тяжпромарматура» (Тульская обл., г. Алексин, ул. Некрасова, д.60), ОАО «Пензтяжпромарматура» (г. Пенза, пр-т Победы, д.75-а), ООО «Самараволгомаш» (г. Самара, ул. Белорусская, д.88), ОАО «Волгограднефтемаш» (г. Волгоград, ул. Электролесовская, д.45) и др. На сайте этих предприятий можно ознакомиться с выпускаемой ими продукцией, а специалисты данных предприятий дадут необходимые разъяснения

_________________
ОАО "МосЦКБА" - более 60 лет ваш надежный партнер в области консультирования и разработок трубопроводной арматуры!


Вернуться к началу
  Ответить с цитатой Ответить на тему  Профиль   Рейтинг: 0  
Непрочитанное сообщениеДобавлено: 16 ноя 2015, 08:46 
Не в сети

Зарегистрирован: 16 ноя 2015, 08:31
Сообщения: 1
Благодарил (а): 0 раз.
Поблагодарили: 0 раз.
Заслуженная репутация: 0
 Ответить с цитатой Ответить на тему 
Добрый день!

Вопрос?
Собираемся менять регуляторы питания котла (РПК). Ставить собираемся регуляторы производства Союз-01. Предлагают два варианта: дисково-поворотные и подъемного типа(клеточного типа).
На каком варианте лучше остановится. Преимущества одних перед другими. Поворотные выпускаются фирмами Союз-01 и Флейм, подъемного типа выпускают многие зарубежные фирмы(Самсон,Хора)


Вернуться к началу
  Ответить с цитатой Ответить на тему  Профиль   Рейтинг: 0  
 Заголовок сообщения: Re: Кто узнает производителей?
Непрочитанное сообщениеДобавлено: 18 ноя 2015, 09:14 
Не в сети

Зарегистрирован: 09 сен 2015, 10:44
Сообщения: 11
Благодарил (а): 0 раз.
Поблагодарили: 0 раз.
Заслуженная репутация: 0
 Ответить с цитатой Ответить на тему 
Доброго времени суток друзья!
Подскажите кто производит следующую позицию: Кран шаровой стальной 10с37п ДУ200 РУ1.6МПа надземная установка/полный проход/фланцевое присоединение.
Описание: Класс герметичности: А; Строительная длина: 628 мм; Вес: 97 кг; Материал корпуса: сталь; Обязательное наличие защитного покрытия: ПФ-115;ТУ-3712-003-89334171-2012.


Вернуться к началу
  Ответить с цитатой Ответить на тему  Профиль   Рейтинг: 0  
 Заголовок сообщения: Re: Кто узнает производителей?
Непрочитанное сообщениеДобавлено: 23 ноя 2015, 12:17 
Не в сети
Аватара пользователя

Зарегистрирован: 29 июл 2015, 14:23
Сообщения: 133
Откуда: Московское Центральное конструкторское бюро арматуростроения
Благодарил (а): 0 раз.
Поблагодарили: 16 раз.
Заслуженная репутация: 0
 Ответить с цитатой Ответить на тему 
villantinory писал(а):

Доброго времени суток друзья!
Подскажите кто производит следующую позицию: Кран шаровой стальной 10с37п ДУ200 РУ1.6МПа надземная установка/полный проход/фланцевое присоединение.
Описание: Класс герметичности: А; Строительная длина: 628 мм; Вес: 97 кг; Материал корпуса: сталь; Обязательное наличие защитного покрытия: ПФ-115;ТУ-3712-003-89334171-2012.

Доброго дня, судя по приведенному Вами номеру технических условий, эти краны относятся к продукции ООО «Завод Промгаз» (г. Саратов, ул. Симбирская, д. 154А). Дело в том, что в структуре номера ТУ предпоследняя группа цифр указывает на номер ОКПО разработчика этих технических условий. Предлагаем Вам в будущем пользоваться такой «подсказкой»

_________________
ОАО "МосЦКБА" - более 60 лет ваш надежный партнер в области консультирования и разработок трубопроводной арматуры!


Вернуться к началу
  Ответить с цитатой Ответить на тему  Профиль   Рейтинг: 0  
Непрочитанное сообщениеДобавлено: 26 ноя 2015, 11:57 
Не в сети
Аватара пользователя

Зарегистрирован: 12 май 2010, 13:24
Сообщения: 633
Благодарил (а): 36 раз.
Поблагодарили: 118 раз.
Заслуженная репутация: 4
 Ответить с цитатой Ответить на тему 
Мантигома писал(а):

Добрый день!

Вопрос?
Собираемся менять регуляторы питания котла (РПК). Ставить собираемся регуляторы производства Союз-01. Предлагают два варианта: дисково-поворотные и подъемного типа(клеточного типа).
На каком варианте лучше остановится. Преимущества одних перед другими. Поворотные выпускаются фирмами Союз-01 и Флейм, подъемного типа выпускают многие зарубежные фирмы(Самсон,Хора)

Вы задаете очень интересный вопрос:
Поворотно-дисковые клапаны, которые выпускают Союз-01 и Флейм по своей сути являются надежными устройствами. Но их конструкция не позволяет работать на большом перепаде давления т.к. они имеют всего одну ступень для распределения перепада давления - это само седло и золотник, который вращается на седле открывая окна для прохода жидкости. Таким образом, если у Вас есть режимы работы котла, при которых на клапане возникает достаточно высокий перепад давления, то поворотно-дисковый клапан со временем придет в негодность. В лучшем случае будете менять регулярно золотник и седло, в худшем корпус с вваренным в него стаканом - или весь клапан :-D
Что же касается клапанов подъемного клеточного типа (типа Хоры, Самсона) - данная конструкция позволяет сделать клапан, который способен работать на очень больших перепадах давления, т.к. их можно сделать многоступенчатыми, соответственно, весь перепа давления будет распределяться по всем ступеням в затворе клапана, их может быть 2,3,4 и т.д.
Но у данных клапанов тоже есть очень большой недостаток - им нужна чистая среда, т.к. при попадании частиц в их клетки клапан может заклинить, в отличии от поворотно-дисковых клапанов (там заклинивать просто нечему :-D).

У зарубежных компаний есть еще один тип подъемных клапанов, которые работают на больших перепадах давлений, и одновременно, могут работать с грязной средой. Их затвор представляет собой вытянутый лабиринт, расположенный перпендикулярно трубопроводу.
Например клапан Masoneilan:
http://www.neotechnology.ru/files/productdocs/71814606e59ee4a5a9d90ef19ec08a1e.pdf
Также Вы можете посмотреть на этом форуме на фото похожего клапана, который был разработан более 40 лет назад немецкой компанией MAW:
https://armtorg.ru/forum/viewtopic.php?f=36&t=7112&p=90847#p90847
Пост №5 "Многоступенчатый регулирующий питательный клапан для воды, рассчитанный для работы на больших перепадах давлений."


Вернуться к началу
  Ответить с цитатой Ответить на тему  Профиль   Рейтинг: 0  
Непрочитанное сообщениеДобавлено: 26 ноя 2015, 22:29 
Аватара пользователя
 Ответить с цитатой Ответить на тему 
МосЦКБА
Здравствуйте! Можно проводить регулировку давления краном 11с320бк1, установленным на наземном газопроводе?


Вернуться к началу
  Ответить с цитатой Ответить на тему   
Непрочитанное сообщениеДобавлено: 30 ноя 2015, 12:19 
Не в сети
Аватара пользователя

Зарегистрирован: 29 июл 2015, 14:23
Сообщения: 133
Откуда: Московское Центральное конструкторское бюро арматуростроения
Благодарил (а): 0 раз.
Поблагодарили: 16 раз.
Заслуженная репутация: 0
 Ответить с цитатой Ответить на тему 
Мантигома писал(а):

Добрый день!

Вопрос?
Собираемся менять регуляторы питания котла (РПК). Ставить собираемся регуляторы производства Союз-01. Предлагают два варианта: дисково-поворотные и подъемного типа(клеточного типа).
На каком варианте лучше остановится. Преимущества одних перед другими. Поворотные выпускаются фирмами Союз-01 и Флейм, подъемного типа выпускают многие зарубежные фирмы(Самсон,Хора)

Добрый день. Клапаны поворотного типа более стабильны при работе с загрязненной питающей водой, содержащей крупные и мелкие частицы окалины. Плоская конструкция запорных дисков дает возможность применять на них современные керамические покрытия, в результате чего достигается стойкость к абразивному износу. Кроме того, конструкция и ремонт таких клапанов проще.

_________________
ОАО "МосЦКБА" - более 60 лет ваш надежный партнер в области консультирования и разработок трубопроводной арматуры!


Вернуться к началу
  Ответить с цитатой Ответить на тему  Профиль   Рейтинг: 0  
Непрочитанное сообщениеДобавлено: 30 ноя 2015, 18:08 
Не в сети
Аватара пользователя

Зарегистрирован: 29 июл 2015, 14:23
Сообщения: 133
Откуда: Московское Центральное конструкторское бюро арматуростроения
Благодарил (а): 0 раз.
Поблагодарили: 16 раз.
Заслуженная репутация: 0
 Ответить с цитатой Ответить на тему 
НС писал(а):

МосЦКБА
Здравствуйте! Можно проводить регулировку давления краном 11с320бк1, установленным на наземном газопроводе?

Здравствуйте. Согласно документации на краны 11с320бк1, а именно документу «Техническое описанию и инструкция по эксплуатации» эти краны предназначены для применения в качестве запорных устройств при транспортировке газа. В соответствии с ГОСТ Р 53672-2009 «Арматура трубопроводная. Общие требования безопасности» использовать запорную арматуру в качестве регулирующих устройств не допускается.

_________________
ОАО "МосЦКБА" - более 60 лет ваш надежный партнер в области консультирования и разработок трубопроводной арматуры!


Вернуться к началу
  Ответить с цитатой Ответить на тему  Профиль   Рейтинг: 0  
Непрочитанное сообщениеДобавлено: 01 дек 2015, 13:34 
Аватара пользователя
 Ответить с цитатой Ответить на тему 
Добрый день. Подскажите кто сегодня в России изготавливает ручные редукторы на задвижки и шаровые краны диаметров DN50, 65, 100 и давление PN1.6 мпа, являющимися аналогами редукторов компаний progear и mastergear?


Вернуться к началу
  Ответить с цитатой Ответить на тему   
Непрочитанное сообщениеДобавлено: 03 дек 2015, 15:24 
Не в сети
Аватара пользователя

Зарегистрирован: 29 июл 2015, 14:23
Сообщения: 133
Откуда: Московское Центральное конструкторское бюро арматуростроения
Благодарил (а): 0 раз.
Поблагодарили: 16 раз.
Заслуженная репутация: 0
 Ответить с цитатой Ответить на тему 
Sergey. писал(а):

Добрый день. Подскажите кто сегодня в России изготавливает ручные редукторы на задвижки и шаровые краны диаметров DN50, 65, 100 и давление PN1.6 мпа, являющимися аналогами редукторов компаний progear и mastergear?

Здравствуйте. Обычно крутящий момент при управлении арматурой указанных Вами параметров незначителен, и применение редуктора не требуется. Если же применение редуктора по каким-то причинам все же необходимо, то разместить заказ на изготовление таких редукторов Вы сможете, как мы полагаем, на ООО «Кварк» (г. Курган, ул. Омская, 135А), либо на ООО «Механик» (г. Ижевск, ул. Студенческая, 7, корп.4).

_________________
ОАО "МосЦКБА" - более 60 лет ваш надежный партнер в области консультирования и разработок трубопроводной арматуры!


Вернуться к началу
  Ответить с цитатой Ответить на тему  Профиль   Рейтинг: 0  
Непрочитанное сообщениеДобавлено: 14 дек 2015, 11:04 
Не в сети
Аватара пользователя

Зарегистрирован: 06 окт 2013, 15:07
Сообщения: 181
Благодарил (а): 11 раз.
Поблагодарили: 3 раз.
Заслуженная репутация: 0
 Ответить с цитатой Ответить на тему 
Здравствуйте,
Подскажите пожалуйста марку и завод изготовитель.
Фото от поставщика только такое. Вообще сегодня выпускают подобные клапаны???
Знаю что Ду 100 , стальной , фланцевый- это понятно, и высокое давление.
В интернете по фото ничего не нашел.


МосЦКБА. Консультации по подбору и рекомендациям ТПА / клапан.jpg
168.44 КБ, Просмотров: 97625

_________________
ЭНЕРГЕТИЧЕСКАЯ АРМАТУРА с реальным количеством в наличии
и базовыми ценами тут:

http://www.promagrosnab24.ru/energetich-armatur.html
СКИДКИ до 20%, особые условия СНАБЖЕНЦАМ!!!
Вернуться к началу
  Ответить с цитатой Ответить на тему  Профиль   Рейтинг: 0  
Непрочитанное сообщениеДобавлено: 16 дек 2015, 18:54 
Не в сети

Зарегистрирован: 09 сен 2015, 10:44
Сообщения: 11
Благодарил (а): 0 раз.
Поблагодарили: 0 раз.
Заслуженная репутация: 0
 Ответить с цитатой Ответить на тему 
Доброго времени суток друзья!

Кто может подсказать надежного производителя Клапанов Отсечных с пневмоприводом, главное условие которое должно соблюдаться Температура рабочей среды свыше 150 С.
Заранее спасибо.


Вернуться к началу
  Ответить с цитатой Ответить на тему  Профиль   Рейтинг: 0  
Непрочитанное сообщениеДобавлено: 21 дек 2015, 10:50 
Не в сети
Аватара пользователя

Зарегистрирован: 29 июл 2015, 14:23
Сообщения: 133
Откуда: Московское Центральное конструкторское бюро арматуростроения
Благодарил (а): 0 раз.
Поблагодарили: 16 раз.
Заслуженная репутация: 0
 Ответить с цитатой Ответить на тему 
villantinory писал(а):

Доброго времени суток друзья!

Кто может подсказать надежного производителя Клапанов Отсечных с пневмоприводом, главное условие которое должно соблюдаться Температура рабочей среды свыше 150 С.
Заранее спасибо.

Здравствуйте. Производство таких отсечных клапанов осуществляется на Котельниковском арматурном заводе (Волгоградская обл., г. Котельниково, ул. Калинина, д. 201), ООО НПФ «ЛГ-автоматика» (г. Москва, ул. Электродная, д. 10), ОАО «Нефтехиммашсистемы» (г. Рязань, ул. Введенская, д. 115), ЗАО «НПО Регулятор» (г. Ярославль, ул. Гагарина, д. 68а) и ряде других отечественных и зарубежных предприятий

_________________
ОАО "МосЦКБА" - более 60 лет ваш надежный партнер в области консультирования и разработок трубопроводной арматуры!


Вернуться к началу
  Ответить с цитатой Ответить на тему  Профиль   Рейтинг: 0  
Непрочитанное сообщениеДобавлено: 22 дек 2015, 11:02 
Не в сети
Аватара пользователя

Зарегистрирован: 29 июл 2015, 14:23
Сообщения: 133
Откуда: Московское Центральное конструкторское бюро арматуростроения
Благодарил (а): 0 раз.
Поблагодарили: 16 раз.
Заслуженная репутация: 0
 Ответить с цитатой Ответить на тему 
ПРОМАГРОСНАБ писал(а):

Здравствуйте,
Подскажите пожалуйста марку и завод изготовитель.
Фото от поставщика только такое. Вообще сегодня выпускают подобные клапаны???
Знаю что Ду 100 , стальной , фланцевый- это понятно, и высокое давление.
В интернете по фото ничего не нашел.

На фотографии представлен типичный клапан обратный поворотный, он же КОП. Судя по фланцам, этот клапан предназначен на давление не ниже PN 63. Изготавливается такая продукция весьма многими российскими предприятиями; из них наиболее традиционные и авторитетные – ПАО «Благовещенский арматурный завод» (Республика Башкортостан, г. Благовещенск, ул. Седова, д. 1) и АО «АК «Корвет» (г. Курган, ул. Бурова-Петрова, д. 120). Возможно, представленные на фотографии клапаны относятся как раз к продукции АО «АК «Корвет»: за эту версию говорит выполненная в «корветовском» стиле фаска на фланцах.

_________________
ОАО "МосЦКБА" - более 60 лет ваш надежный партнер в области консультирования и разработок трубопроводной арматуры!


Вернуться к началу
  Ответить с цитатой Ответить на тему  Профиль   Рейтинг: 0  
Непрочитанное сообщениеДобавлено: 12 фев 2016, 13:55 
Аватара пользователя
 Ответить с цитатой Ответить на тему 
Уважаемые специалисты МосЦКБА, помогите найти производителя конденсатоотводчиков термодинамических 45с13нж под приварку Ду50 Ру40, материал крышки ст.20, климатическое исполнение У1.
Среда: пар, конденсат.


Вернуться к началу
  Ответить с цитатой Ответить на тему   
Непрочитанное сообщениеДобавлено: 16 фев 2016, 06:59 
Не в сети

Зарегистрирован: 02 ноя 2011, 12:00
Сообщения: 24
Благодарил (а): 0 раз.
Поблагодарили: 0 раз.
Заслуженная репутация: 0
 Ответить с цитатой Ответить на тему 
Добрый день! Подскажите, может кто сталкивался: элементы из какой стали приварится к трубе ст.МНЖ5-1


Вернуться к началу
  Ответить с цитатой Ответить на тему  Профиль   Рейтинг: 0  
Непрочитанное сообщениеДобавлено: 16 фев 2016, 13:01 
Не в сети
Аватара пользователя

Зарегистрирован: 29 июл 2015, 14:23
Сообщения: 133
Откуда: Московское Центральное конструкторское бюро арматуростроения
Благодарил (а): 0 раз.
Поблагодарили: 16 раз.
Заслуженная репутация: 0
 Ответить с цитатой Ответить на тему 
YYY писал(а):

Уважаемые специалисты МосЦКБА, помогите найти производителя конденсатоотводчиков термодинамических 45с13нж под приварку Ду50 Ру40, материал крышки ст.20, климатическое исполнение У1.
Среда: пар, конденсат.

По имеющимся у нас сведениям, производство термодинамических конденсатоотводчиков 45с13нж заявленных Вами параметров осуществляет ООО <ТД КМК <Корал>: 620026, г. Екатеринбург, ул. Розы Люксембург, 64, офис 411, тел. (343)365-82-76.

_________________
ОАО "МосЦКБА" - более 60 лет ваш надежный партнер в области консультирования и разработок трубопроводной арматуры!


Вернуться к началу
  Ответить с цитатой Ответить на тему  Профиль   Рейтинг: 0  
Непрочитанное сообщениеДобавлено: 16 фев 2016, 13:02 
Не в сети
Аватара пользователя

Зарегистрирован: 29 июл 2015, 14:23
Сообщения: 133
Откуда: Московское Центральное конструкторское бюро арматуростроения
Благодарил (а): 0 раз.
Поблагодарили: 16 раз.
Заслуженная репутация: 0
 Ответить с цитатой Ответить на тему 
Игорь ИП писал(а):

Добрый день! Подскажите, может кто сталкивался: элементы из какой стали приварится к трубе ст.МНЖ5-1

Трубы из медно-никелевого сплава марки МНЖ5-1 предназначены для судостроительной промышленности. Безусловно, существует практика сварки меди и ее сплавов со сталью. Однако, грамотные рекомендации на этот счет целесообразно будет запросить либо у специалистов вышеуказанной отрасли, либо у «продвинутых» металловедов.

_________________
ОАО "МосЦКБА" - более 60 лет ваш надежный партнер в области консультирования и разработок трубопроводной арматуры!


Вернуться к началу
  Ответить с цитатой Ответить на тему  Профиль   Рейтинг: 0  
Непрочитанное сообщениеДобавлено: 01 мар 2016, 10:28 
Аватара пользователя
 Ответить с цитатой Ответить на тему 
Уважаемые специалисты Московского ЦКБА подскажите кто в настоящее время производит в России клапаны запорные по черт. 15с18п и 15с22нж. Интересуют только российские производители


Вернуться к началу
  Ответить с цитатой Ответить на тему   
Непрочитанное сообщениеДобавлено: 04 мар 2016, 10:06 
Не в сети
Аватара пользователя

Зарегистрирован: 29 июл 2015, 14:23
Сообщения: 133
Откуда: Московское Центральное конструкторское бюро арматуростроения
Благодарил (а): 0 раз.
Поблагодарили: 16 раз.
Заслуженная репутация: 0
 Ответить с цитатой Ответить на тему 
Поставщик писал(а):

Уважаемые специалисты Московского ЦКБА подскажите кто в настоящее время производит в России клапаны запорные по черт. 15с18п и 15с22нж. Интересуют только российские производители

По нашим сведениям такие клапаны производят ООО «Георгиевский Арматурный Завод» (Ставропольский край, г. Георгиевск, ул. Чугурина, д. 18) и ООО «РТМТ» (г. Москва, ул. Старая Басманная, д. 12, стр. 5, офис 6; адрес обособленного подразделения «Курган ООО «РТМТ»: г. Курган, ул. Бурова-Петрова, д. 132, стр. 4)

_________________
ОАО "МосЦКБА" - более 60 лет ваш надежный партнер в области консультирования и разработок трубопроводной арматуры!


Вернуться к началу
  Ответить с цитатой Ответить на тему  Профиль   Рейтинг: 0  
Непрочитанное сообщениеДобавлено: 10 мар 2016, 14:25 
Не в сети

Зарегистрирован: 16 янв 2015, 09:48
Сообщения: 5
Благодарил (а): 0 раз.
Поблагодарили: 0 раз.
Заслуженная репутация: 0
 Ответить с цитатой Ответить на тему 
Помогите, пожалуйста, узнать обратный клапан по чертежу. Установлен на выходе подогревателей высокого давления турбины ПТ-25-90.


МосЦКБА. Консультации по подбору и рекомендациям ТПА / МосЦКБА руу.jpg
84.42 КБ, Просмотров: 95525
Вернуться к началу
  Ответить с цитатой Ответить на тему  Профиль   Рейтинг: 0  
Непрочитанное сообщениеДобавлено: 11 мар 2016, 11:22 
Аватара пользователя
 Ответить с цитатой Ответить на тему 
lhagva писал(а):

Помогите, пожалуйста, узнать обратный клапан по чертежу. Установлен на выходе подогревателей высокого давления турбины ПТ-25-90.

это обратный клапан ПВД производства Таганрогского завода "Красный котельщик" (что-то типа Т-361бс). Обратитесь туда, они по № чертежа вам скажут, ну, или РД 34.40.509-93 вам в помощь - там в конце в приложении перечислена арматура Таганрога, устанавливаемая на разные ПВД.


Вернуться к началу
  Ответить с цитатой Ответить на тему   
Непрочитанное сообщениеДобавлено: 15 мар 2016, 11:14 
Не в сети
Аватара пользователя

Зарегистрирован: 29 июл 2015, 14:23
Сообщения: 133
Откуда: Московское Центральное конструкторское бюро арматуростроения
Благодарил (а): 0 раз.
Поблагодарили: 16 раз.
Заслуженная репутация: 0
 Ответить с цитатой Ответить на тему 
lhagva писал(а):

Помогите, пожалуйста, узнать обратный клапан по чертежу. Установлен на выходе подогревателей высокого давления турбины ПТ-25-90.

Здравствуйте, мы считаем, что это обратный клапан производства ОАО «Таганрогский котлостроительный завод «Красный котельщик» (Ростовская обл., г. Таганрог, ул. Ленина, д. 220). Такой клапан является элементом автоматического защитного устройства подогревателей высокого давления. Клапаны выпускаются с номинальными диаметрами DN 200, 225, 250, 275, 300 и 400 на давления PN 200, 250, 320 и 400. В зависимости от диаметра и номинального давления имеют условные обозначения Т-361бсм, Т-363бсм, Т-365бсм и т.д.
За более подробной информацией предлагаем обратиться на ОАО «ТКЗ «Красный котельщик»

_________________
ОАО "МосЦКБА" - более 60 лет ваш надежный партнер в области консультирования и разработок трубопроводной арматуры!


Вернуться к началу
  Ответить с цитатой Ответить на тему  Профиль   Рейтинг: 0  
Непрочитанное сообщениеДобавлено: 15 мар 2016, 19:18 
Аватара пользователя
Организация: НХП
 Ответить с цитатой Ответить на тему 
Здравствуйте!
Прошу помочь специалистов с одним вопросом, а именно:
в соответствии с ГОСТ Р 55509-13 предел применения стали 20ГЛ плюс 350 оС. А в подавляющем большинстве каталогов изготовителей трубопроводной арматуры для хладостойкого исполнения, где и применяется данная сталь для литых корпусов, указывается макисмальная температура применения плюс 425 оС.
Все врать не могут... от чего так?? Какой нормой (ГОСТ, ОСТ) допускается применять сталь 20 ГЛ до 425 оС.
очень жду помощи sm_59 . спасибо.


Вернуться к началу
  Ответить с цитатой Ответить на тему   
Непрочитанное сообщениеДобавлено: 17 мар 2016, 09:47 
Не в сети
Аватара пользователя

Зарегистрирован: 29 июл 2015, 14:23
Сообщения: 133
Откуда: Московское Центральное конструкторское бюро арматуростроения
Благодарил (а): 0 раз.
Поблагодарили: 16 раз.
Заслуженная репутация: 0
 Ответить с цитатой Ответить на тему 
Игорь (НХП) писал(а):

Здравствуйте!
Прошу помочь специалистов с одним вопросом, а именно:
в соответствии с ГОСТ Р 55509-13 предел применения стали 20ГЛ плюс 350 оС. А в подавляющем большинстве каталогов изготовителей трубопроводной арматуры для хладостойкого исполнения, где и применяется данная сталь для литых корпусов, указывается макисмальная температура применения плюс 425 оС.
Все врать не могут... от чего так?? Какой нормой (ГОСТ, ОСТ) допускается применять сталь 20 ГЛ до 425 оС.
очень жду помощи sm_59 . спасибо.

Здравствуйте. Действительно, многие изготовители трубопроводной арматуры хладостойкого исполнения, в которой применяются корпусные детали из стали 20ГЛ, указывают в качестве верхнего температурного предела применения значение + 425°С. Это, если можно так выразиться, устоявшийся стереотип: если исполнение ХЛ, то температура применения до + 425°С. На наш взгляд, такой подход является неправильным, т.к. согласно ГОСТ Р 55509-2013 максимальная температура применения для стали 20ГЛ составляет + 350°С.
За дополнительными разъяснениями Вы можете обратиться в ЗАО «НПФ «ЦКБА», которое является разработчиком ГОСТ Р 55509-2013

_________________
ОАО "МосЦКБА" - более 60 лет ваш надежный партнер в области консультирования и разработок трубопроводной арматуры!


Вернуться к началу
  Ответить с цитатой Ответить на тему  Профиль   Рейтинг: 0  
Непрочитанное сообщениеДобавлено: 22 мар 2016, 06:45 
Не в сети

Зарегистрирован: 28 ноя 2013, 06:12
Сообщения: 123
Откуда: Омск
Благодарил (а): 0 раз.
Поблагодарили: 0 раз.
Заслуженная репутация: 1
 Ответить с цитатой Ответить на тему 
Подскажите производителей прокладок резиновых по ГОСТ 15180-86 от Ду50 до Ду400


Вернуться к началу
  Ответить с цитатой Ответить на тему  Профиль   Рейтинг: 0  
Непрочитанное сообщениеДобавлено: 22 мар 2016, 09:54 
Аватара пользователя
 Ответить с цитатой Ответить на тему 
http://www.flowtech.ru/catalog/prokladk ... ?curPos=80


Вернуться к началу
  Ответить с цитатой Ответить на тему   
Непрочитанное сообщениеДобавлено: 22 мар 2016, 15:50 
Не в сети
Аватара пользователя

Зарегистрирован: 29 июл 2015, 14:23
Сообщения: 133
Откуда: Московское Центральное конструкторское бюро арматуростроения
Благодарил (а): 0 раз.
Поблагодарили: 16 раз.
Заслуженная репутация: 0
 Ответить с цитатой Ответить на тему 
Владимир_Омск писал(а):

Подскажите производителей прокладок резиновых по ГОСТ 15180-86 от Ду50 до Ду400

ГОСТ 15180-86 устанавливает требования к размерам и другим конструктивным характеристикам эластичных прокладок. Для размещения заказа на производство Вам необходимо определиться с конструктивным исполнением прокладок (см. упомянутый ГОСТ), а также маркой резины. А заказ на производство можно разместить, как мы полагаем, практически на любом удобном для Вас с точки зрения географии и прочих параметров (цена, срок исполнения и т.д.) заводе РТИ.

_________________
ОАО "МосЦКБА" - более 60 лет ваш надежный партнер в области консультирования и разработок трубопроводной арматуры!


Вернуться к началу
  Ответить с цитатой Ответить на тему  Профиль   Рейтинг: 0  
 Заголовок сообщения: кто нибудь знает аналоги РУСТ 95?
Непрочитанное сообщениеДобавлено: 25 мар 2016, 13:20 
Аватара пользователя
E-mail: s@gradient-a.ru
Телефон: +79094000402
Организация: ООО "ГРАДИЕНТ А"
 Ответить с цитатой Ответить на тему 
Господа добрый день!
Не подскажите, кто нибудь может знает производителя в РФ или в Европе кто производит эл. магнитные клапаны отсечные высокого давления?


Вернуться к началу
  Ответить с цитатой Ответить на тему   
 Заголовок сообщения:
Непрочитанное сообщениеДобавлено: 26 мар 2016, 19:41 
Не в сети

Зарегистрирован: 08 авг 2012, 18:26
Сообщения: 10
Благодарил (а): 0 раз.
Поблагодарили: 2 раз.
Заслуженная репутация: 1
 Ответить с цитатой Ответить на тему 
alexdavid писал(а):

Господа добрый день!
Не подскажите, кто нибудь может знает производителя в РФ или в Европе кто производит эл. магнитные клапаны отсечные высокого давления?

Технопроект в Пензе обратитесь
http://www.solenoid.ru/catalog/klapany-elektromagnitnye/


Вернуться к началу
  Ответить с цитатой Ответить на тему  Профиль   Рейтинг: 0  
Непрочитанное сообщениеДобавлено: 28 мар 2016, 07:59 
Аватара пользователя
E-mail: s.chernobay@armaturz.ru
Телефон: +79217315084
Организация: ООО "Арматурз"
 Ответить с цитатой Ответить на тему 
alexdavid писал(а):

Господа добрый день!
Не подскажите, кто нибудь может знает производителя в РФ или в Европе кто производит эл. магнитные клапаны отсечные высокого давления?


Мы поставляем, если интересно, ждём заявку.


Вернуться к началу
  Ответить с цитатой Ответить на тему   
Непрочитанное сообщениеДобавлено: 28 мар 2016, 13:42 
Не в сети

Зарегистрирован: 27 авг 2010, 12:46
Сообщения: 1690
Благодарил (а): 149 раз.
Поблагодарили: 706 раз.
Заслуженная репутация: 15
Бравый Арматурщик
 Ответить с цитатой Ответить на тему 
Интересно. Арматурз поставщик какого производителя?


Вернуться к началу
  Ответить с цитатой Ответить на тему  Профиль   Рейтинг: 0  
 Заголовок сообщения: производители аналогов РУСТ 95
Непрочитанное сообщениеДобавлено: 29 мар 2016, 10:07 
Аватара пользователя
E-mail: s@gradient-a.ru
Телефон: +79094000402
Организация: ООО "ГРАДИЕНТ А"
 Ответить с цитатой Ответить на тему 
Добрый день,
Подскажите, кто производит аналоги РУСТ 95 по Европе или в России,
интересует:
Клапан запорный DN25 PN10.0 МПа, фланцевый, с эл. магнитным приводом.
При необходимости пришлю опросник.


Вернуться к началу
  Ответить с цитатой Ответить на тему   
 Заголовок сообщения: шаровый кран на входе сппк4р
Непрочитанное сообщениеДобавлено: 31 мар 2016, 17:47 
Аватара пользователя
E-mail: volodiy555@yandex.ru
Телефон: +79282153297
 Ответить с цитатой Ответить на тему 
На ГНС СУГ на подземных резервуарах установлены СППК4Р50-15 ''Уфимского завода Нефтемаш''. За два года эксплуатации уже четыре клапана из восьми начали травить газ. При снятии и разборке выясняется что причина в заклинивании и залипании поршня(клапана) из-за ржавчины. Появилось желание заменить все СППК4Р-8шт. Подскажите какие заводы РФ делают более качественные СППК4Р ? Возможна-ли установка перед СППК шарового крана для снятия и обслуживания СППК. владимир


Вернуться к началу
  Ответить с цитатой Ответить на тему   
 Заголовок сообщения: Re: шаровый кран на входе сппк4р
Непрочитанное сообщениеДобавлено: 31 мар 2016, 20:57 
Не в сети

Зарегистрирован: 04 дек 2012, 12:31
Сообщения: 443
Откуда: Тула
Благодарил (а): 4 раз.
Поблагодарили: 21 раз.
Заслуженная репутация: 9
Бравый Арматурщик
 Ответить с цитатой Ответить на тему 
Качественные...БАЗ :-P
Про Уфу впервые слышу если честно, да и сайт не внушает доверия...типовой и явно недоработанный, такое чувство что человек который им занимался бросил это дело на стадии готовности в 70%

_________________
Да... На Руси, слава Богу... дураков лет на 100 припасено...
МосЦКБА. Консультации по подбору и рекомендациям ТПА - Изображение
МосЦКБА. Консультации по подбору и рекомендациям ТПА - Изображение


Вернуться к началу
  Ответить с цитатой Ответить на тему  Профиль   Рейтинг: 0  
 Заголовок сообщения: Re: производители аналогов РУСТ 95
Непрочитанное сообщениеДобавлено: 04 апр 2016, 13:04 
Не в сети
Аватара пользователя

Зарегистрирован: 29 июл 2015, 14:23
Сообщения: 133
Откуда: Московское Центральное конструкторское бюро арматуростроения
Благодарил (а): 0 раз.
Поблагодарили: 16 раз.
Заслуженная репутация: 0
 Ответить с цитатой Ответить на тему 
alexdavid писал(а):

Добрый день,
Подскажите, кто производит аналоги РУСТ 95 по Европе или в России,
интересует:
Клапан запорный DN25 PN10.0 МПа, фланцевый, с эл. магнитным приводом.
При необходимости пришлю опросник.

По нашим сведениям, аналогичную арматуру выпускает НПП «Сенсор» (г. Заречный, Пензенской обл., ул. Промышленная, строение 5). За более подробной информацией рекомендуем Вам обратиться к специалистам этого предприятия

_________________
ОАО "МосЦКБА" - более 60 лет ваш надежный партнер в области консультирования и разработок трубопроводной арматуры!


Вернуться к началу
  Ответить с цитатой Ответить на тему  Профиль   Рейтинг: 0  
Непрочитанное сообщениеДобавлено: 04 апр 2016, 13:05 
Не в сети
Аватара пользователя

Зарегистрирован: 29 июл 2015, 14:23
Сообщения: 133
Откуда: Московское Центральное конструкторское бюро арматуростроения
Благодарил (а): 0 раз.
Поблагодарили: 16 раз.
Заслуженная репутация: 0
 Ответить с цитатой Ответить на тему 
alexdavid писал(а):

Господа добрый день!
Не подскажите, кто нибудь может знает производителя в РФ или в Европе кто производит эл. магнитные клапаны отсечные высокого давления?

Мы не совсем поняли, что Вы подразумеваете под термином «высокое давление». Тем не менее, сообщаем, что производством электромагнитных отсечных клапанов занимается НПП «Сенсор» (г. Заречный, Пензенской обл., ул. Промышленная, строение 5). Это предприятие выпускает отсечные электромагнитные клапаны прямого действия DN15-100 PN16-40. Кроме того, в линейке выпускаемой НПП «Сенсор» продукции значатся нормально-открытые электромагнитные клапаны прямого действия DN10 PN250, а также пилотные электромагнитные отсечные клапаны DN50 PN160, DN10-20 PN250 и др.
Что касается зарубежных производителей, то среди них в первую очередь назовем такие фирмы, как «DANFOSS», «ASCO», «ODE». Эти фирмы имеют российские представительства, куда Вы можете обратиться за дополнительной информацией

_________________
ОАО "МосЦКБА" - более 60 лет ваш надежный партнер в области консультирования и разработок трубопроводной арматуры!


Вернуться к началу
  Ответить с цитатой Ответить на тему  Профиль   Рейтинг: 0  
Непрочитанное сообщениеДобавлено: 09 апр 2016, 09:15 
Не в сети

Зарегистрирован: 09 апр 2016, 08:52
Сообщения: 4
Благодарил (а): 0 раз.
Поблагодарили: 0 раз.
Заслуженная репутация: 0
 Ответить с цитатой Ответить на тему 
Подскажите пожалуйста, у меня труба-530х9-к52 гост 20295-85* с расчетным давлением 7.5 мПа. В сертификате указано пробное давление испытания на заводе 8.3 мПа. Рабочее проектное давление трубы должно быть 7.5 мПа, а испытать я ее должен Рраб х 1,25 = 9,37 мПа. Могу ли я испытывать трубу давлением больше испытуемого на заводе? Очень срочно надо.


Вернуться к началу
  Ответить с цитатой Ответить на тему  Профиль   Рейтинг: 0  
Непрочитанное сообщениеДобавлено: 12 апр 2016, 12:30 
Не в сети
Аватара пользователя

Зарегистрирован: 29 июл 2015, 14:23
Сообщения: 133
Откуда: Московское Центральное конструкторское бюро арматуростроения
Благодарил (а): 0 раз.
Поблагодарили: 16 раз.
Заслуженная репутация: 0
 Ответить с цитатой Ответить на тему 
uvanin писал(а):

Подскажите пожалуйста, у меня труба-530х9-к52 гост 20295-85* с расчетным давлением 7.5 мПа. В сертификате указано пробное давление испытания на заводе 8.3 мПа. Рабочее проектное давление трубы должно быть 7.5 мПа, а испытать я ее должен Рраб х 1,25 = 9,37 мПа. Могу ли я испытывать трубу давлением больше испытуемого на заводе? Очень срочно надо.

На наш взгляд, здесь наличествует один из двух вариантов:
1. Расчетное давление Вашей трубы ниже, чем 7,5 МПа.
2. Завод-изготовитель ошибся при выборе величины пробного давления при испытаниях. Величины пробных давлений при испытаниях металлических труб определяются в соответствии с ГОСТ 3845-75 «Трубы металлические. Метод испытания гидравлическим давлением».
Таким образом, предлагаем Вам еще раз проверить эксплуатационную документацию на имеющуюся у Вас трубу и / или обратиться за разъяснениями на завод-изготовитель.

_________________
ОАО "МосЦКБА" - более 60 лет ваш надежный партнер в области консультирования и разработок трубопроводной арматуры!


Вернуться к началу
  Ответить с цитатой Ответить на тему  Профиль   Рейтинг: 0  
 Заголовок сообщения: Заводской номер
Непрочитанное сообщениеДобавлено: 18 апр 2016, 10:03 
Аватара пользователя
E-mail: obysk.armpro@mail.ru
Телефон: 87476068611
 Ответить с цитатой Ответить на тему 
Здравствуйте!
С каких диаметров на стальных задвижках должен быть указан заводской номер?
И какой ГОСТ, ТУ или СНиП это регламентирует?


Вернуться к началу
  Ответить с цитатой Ответить на тему   
Непрочитанное сообщениеДобавлено: 27 апр 2016, 16:49 
Аватара пользователя
 Ответить с цитатой Ответить на тему 
Добрый день!
Прошу разъяснить в каких случаях во фланцевых соединениях (трубопроводов, трубопроводной арматуры) возможно применение болтов, а в каких шпилек и на основании какой нормативной документации.


Вернуться к началу
  Ответить с цитатой Ответить на тему   
 Заголовок сообщения: Re: Заводской номер
Непрочитанное сообщениеДобавлено: 05 май 2016, 15:47 
Не в сети
Аватара пользователя

Зарегистрирован: 29 июл 2015, 14:23
Сообщения: 133
Откуда: Московское Центральное конструкторское бюро арматуростроения
Благодарил (а): 0 раз.
Поблагодарили: 16 раз.
Заслуженная репутация: 0
 Ответить с цитатой Ответить на тему 
dimels писал(а):

Здравствуйте!
С каких диаметров на стальных задвижках должен быть указан заводской номер?
И какой ГОСТ, ТУ или СНиП это регламентирует?

Маркировка трубопроводной арматуры осуществляется в соответствии с ГОСТ Р 52760-2007 «Арматура трубопроводная. Требования к маркировке и отличительной окраске». Указанный стандарт не содержит требований наносить на арматуру (корпус и/или табличку, надежно прикрепленную к корпусу), каких-либо знаков маркировки, содержащих заводской номер изделия, если это не определено в конструкторской документации или в контракте на поставку. Заводской номер должен содержаться в паспорте на трубопроводную арматуру.

_________________
ОАО "МосЦКБА" - более 60 лет ваш надежный партнер в области консультирования и разработок трубопроводной арматуры!


Вернуться к началу
  Ответить с цитатой Ответить на тему  Профиль   Рейтинг: 0  
Непрочитанное сообщениеДобавлено: 05 май 2016, 15:47 
Не в сети
Аватара пользователя

Зарегистрирован: 29 июл 2015, 14:23
Сообщения: 133
Откуда: Московское Центральное конструкторское бюро арматуростроения
Благодарил (а): 0 раз.
Поблагодарили: 16 раз.
Заслуженная репутация: 0
 Ответить с цитатой Ответить на тему 
SaId писал(а):

Добрый день!
Прошу разъяснить в каких случаях во фланцевых соединениях (трубопроводов, трубопроводной арматуры) возможно применение болтов, а в каких шпилек и на основании какой нормативной документации.

В утвержденном приказом Ростехнадзора от 27.12.20012 г. N784 Руководстве по безопасности «Рекомендации по устройству и безопасной эксплуатации технологических трубопроводов» содержится следующая рекомендация:
«65. Крепежные детали для фланцевых соединений и материалы для них рекомендуется выбирать в зависимости от рабочих условий и материала фланца согласно действующей НТД. Для соединения фланцев при температуре среды выше 300 °C и ниже -40 °C независимо от давления рекомендуется в целях безопасности применять шпильки».
А в ПБ 10-573-03 «Правила устройства и безопасной эксплуатации трубопроводов пара и горячей воды» содержалось следующее требование: «Применение болтов допускается по ГОСТ 20700 до давления 3 МПа (30 кгс/см2) и температуры 300 °С. В остальных случаях должны применяться шпильки». Полагаем целесообразным придерживаться и этой рекомендации, даже не смотря на то, что в настоящий момент упомянутый документ утратил силу в связи изданием приказа Ростехнадзора от 25.03.2014 г. N116

_________________
ОАО "МосЦКБА" - более 60 лет ваш надежный партнер в области консультирования и разработок трубопроводной арматуры!


Вернуться к началу
  Ответить с цитатой Ответить на тему  Профиль   Рейтинг: 0  
Непрочитанное сообщениеДобавлено: 12 май 2016, 16:19 
Аватара пользователя
Организация: ПАО "Т Плюс"
 Ответить с цитатой Ответить на тему 
Здравствуйте. Помогите узнать, кто производит в настоящее время собственными силами задвижки 30с99нж. Нам знаком производитель Знамя Труда (г.Санкт-Петербург) и Благовещенский арматурный завод (г.Благовещенск Башкортостан), кто то еще производит данную серию. Буду признателен за скорый ответ.


Вернуться к началу
  Ответить с цитатой Ответить на тему   
Непрочитанное сообщениеДобавлено: 12 май 2016, 16:35 
Не в сети
Аватара пользователя

Зарегистрирован: 26 апр 2016, 11:32
Сообщения: 3
Благодарил (а): 0 раз.
Поблагодарили: 0 раз.
Заслуженная репутация: 0
 Ответить с цитатой Ответить на тему 
А.А.
Т-плюс вроде уже проводило предквалификацию.
Объясните пожалуйста, что Т-Плюс подразумевает под словом "производитель"? Разница между "производствами" БАЗа и ЗТ огромна.


Вернуться к началу
  Ответить с цитатой Ответить на тему  Профиль   Рейтинг: 0  
 Заголовок сообщения: P59015-600
Непрочитанное сообщениеДобавлено: 17 май 2016, 12:57 
Не в сети

Зарегистрирован: 12 ноя 2015, 22:07
Сообщения: 34
Благодарил (а): 4 раз.
Поблагодарили: 0 раз.
Заслуженная репутация: 0
 Ответить с цитатой Ответить на тему 
Добрый день !
Кто производитель предохранительного клапана P59015-600?


Вернуться к началу
  Ответить с цитатой Ответить на тему  Профиль   Рейтинг: 0  
Непрочитанное сообщениеДобавлено: 17 май 2016, 15:58 
Не в сети
Аватара пользователя

Зарегистрирован: 29 июл 2015, 14:23
Сообщения: 133
Откуда: Московское Центральное конструкторское бюро арматуростроения
Благодарил (а): 0 раз.
Поблагодарили: 16 раз.
Заслуженная репутация: 0
 Ответить с цитатой Ответить на тему 
А.А. писал(а):

Здравствуйте. Помогите узнать, кто производит в настоящее время собственными силами задвижки 30с99нж. Нам знаком производитель Знамя Труда (г.Санкт-Петербург) и Благовещенский арматурный завод (г.Благовещенск Башкортостан), кто то еще производит данную серию. Буду признателен за скорый ответ.

Помимо названных Вами производителей, задвижки 30с99нж изготавливаются на ООО «Гусар» (Владимирская обл., г. Гусь-Хрустальный, ул. Транспортная, д. 57), а также на ЗАО «Саратовский арматурный завод» (г. Саратов, ул. Песчано-Уметская, д. 10)

_________________
ОАО "МосЦКБА" - более 60 лет ваш надежный партнер в области консультирования и разработок трубопроводной арматуры!


Вернуться к началу
  Ответить с цитатой Ответить на тему  Профиль   Рейтинг: 0  
 Заголовок сообщения: Re: P59015-600
Непрочитанное сообщениеДобавлено: 18 май 2016, 15:36 
Не в сети
Аватара пользователя

Зарегистрирован: 29 июл 2015, 14:23
Сообщения: 133
Откуда: Московское Центральное конструкторское бюро арматуростроения
Благодарил (а): 0 раз.
Поблагодарили: 16 раз.
Заслуженная репутация: 0
 Ответить с цитатой Ответить на тему 
Fandorin писал(а):

Добрый день !
Кто производитель предохранительного клапана P59015-600?

По нашему мнению, речь идет о главном предохранительном клапане, предназначенном для использования на объектах атомной энергетики. Поэтому полагаем, что на вопрос о том, где изготавливаются такие клапаны, более широко и грамотно ответят наши коллеги с ЧЗЭМ, которые также ведут консультационную ветку на портале ARMTORG.

_________________
ОАО "МосЦКБА" - более 60 лет ваш надежный партнер в области консультирования и разработок трубопроводной арматуры!


Вернуться к началу
  Ответить с цитатой Ответить на тему  Профиль   Рейтинг: 0  
Непрочитанное сообщениеДобавлено: 19 май 2016, 07:03 
Не в сети

Зарегистрирован: 19 май 2016, 06:57
Сообщения: 1
Благодарил (а): 0 раз.
Поблагодарили: 0 раз.
Заслуженная репутация: 0
 Ответить с цитатой Ответить на тему 
Добрый день уважаемые консультанты, подскажите кто сегодня в РФ изготавливает краны шаровые фланцевые Ду 80-100, Ру 250, Т=200


Вернуться к началу
  Ответить с цитатой Ответить на тему  Профиль   Рейтинг: 0  
Показать сообщения за:  Поле сортировки  
Начать новую тему Ответить на тему  Страница 2 из 6  [ Сообщений: 293 ]  На страницу Пред.  1, 2, 3, 4, 5, 6  След.

Быстрый ответ
Вы не можете оставлять комментарии и ответы, пожалуйста ЗАРЕГИСТРИРУЙТЕСЬ для возможности полноценного доступа к форумам этой ветки

Часовой пояс: UTC + 3 часа [ Летнее время ]


Кто сейчас на конференции

Сейчас этот форум просматривают: Google [Bot] и гости: 1


Вы не можете начинать темы
Вы не можете отвечать на сообщения
Вы не можете редактировать свои сообщения
Вы не можете удалять свои сообщения
Вы не можете добавлять вложения

Перейти: 
cron
Powered by phpBB © 2000, 2002, 2005, 2007 phpBB Group [ Time : 7.124s | 150 Queries | GZIP : Off ]

@Mail.ru
Администрация портала не несёт ответственности за достоверность размещённой в сообщениях форума информации.