
| Номинальный диаметр, DN, мм | 15; 20; 25 | |||
| Давление номинальное, PN, МПа | 0,6; 1,0; 1,6; 2,5; 4,0; 6,3; 10,0; 16,0 | |||
| Герметичность затвора | по классу «А» или «В» ГОСТ 9544-93 | |||
| Усилие на шпинделе, необходимое | DN, мм | 15 | 20 | 25 |
| Мкр, Нм | 27 | |||
| Нормальное положение затвора | От полностью «открыто» | |||
Условия эксплуатации
| Рабочая среда | жидкая и газообразная; | |
| Температура рабочей среды, °С | от – 40 до +100; 200; 300 | от – 60 до +100; 200; 300 |
| Климатическое исполнение | У1 | УХЛ1 |
| Температура окружающей среды, °С | от – 40 до + 45 | от – 60 до + 45 |
| Направление подачи рабочей среды | Под золотник | |
| Установочное положение | Любое | |
| Присоединение к трубопроводу | Муфтовое; Под приварку; Фланцево | |
| Корпус | исп. У1 | исп. УХЛ1 | исп. У1* | |
| Сталь 20 | Сталь 09Г2С | Сталь 12Х18Н10Т | Сталь 10Х17Н13М2Т | |
| Стойка | Сталь 20 | Сталь 09Г2С | Сталь 20 | Сталь 20 |
| Гайка | Сталь 20 | Сталь 10Г2 | Сталь 20 | Сталь 20 |
| Пластина | Сталь 40Х | Сталь 14Х17Н2 | Сталь 40Х | Сталь 40Х |
| Шток | Сталь 20Х13 | Сталь 14Х17Н2 | Сталь 12Х18Н10Т | Сталь 10Х17Н13М2Т |
| Седло | Наплавка | |||
| Сальник | Терморасширенный графит | |||
| Назначенный срок службы | Рабочая температура, °С | До 300 | До 525 |
| Срок, лет | 20 | 10 | |
| Назначенный ресурс, циклов | 3000 | 1500 | |
| Средняя наработка на отказ, не менее циклов | 500 | ||

|
| Испол- | DNмм | PNМПа | Dдюймы | Lмм | Массакг |
| С21150-015-00; -30; -01; -02 | 15 | От 0,6 | G 1/2" | 90 | 4,0 | |
| С21150-020-00; -30; -01; -02 | 20 | G 3/4" | 110 | 4,2 | ||
| С21150-025-00; -39; -01; -02 | 25 | G 1" | 130 | | ||

| Обозначение | Исполнение | DNмм | PNМПа | Dмм | dмм | Lмм | Массакг |
| С21150-015-09; -33; -10; -11 | 15 | От 0,6 | 19 | 12 | 175 | 4,1 | |
| С21150-020-09; -33; -10; -11 | 20 | 26 | 18 | 190 | 4,35 | ||
| С21150-025-09; -42; -10; -11 | 25 | 33 | 25 | 200 | 4,55 | ||

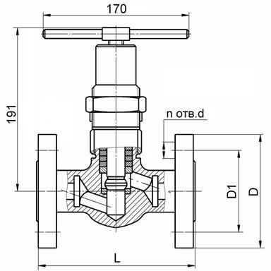
Обозначение | Исполнение | DNмм | PNМПа | Исп-ефл-в* | Dмм | D1мм | dмм | n | Lмм | Массакг |
| С21150-015-12; -34; -13; -14 | 15 | 1,6 | 1 | 95 | 65 | 14 | 4 | 130 | 5,5 | |
| -18; -36; -19; -20 | 2,5 | 5,8 | ||||||||
| -03; -31; -04; -05 | 16,0 | 7 | 105 | 75 | 14 | 4 | 175 | 5,9 | ||
| С21150-020-12; -34; -13; -14 | 20 | 1,6 | 1 | 105 | 75 | 14 | 4 | 150 | 5,95 | |
| -18; -36; -19; -20 | 2,5 4,0 | 6,15 | ||||||||
| -03; -31; -04; -05 | 16,0 | 7 | 125 | 90 | 18 | 4 | 190 | 7,75 | ||
| С21150-025-12; -43; -13; -14 | 25 | 1,6 | 1 | 115 | 85 | 14 | 4 | 120 | 5,7 | |
| -18; -45; -19; -20 | 2,5 4,0 | 5,8 | ||||||||
| -21; -46; -22; -23 | 1,6 | 160 | 6,5 | |||||||
| -27; -48; -28; -29 | 2,5 4,0 | 6,6 | ||||||||
| -03; -40; -04; -05 | 16,0 | 7 | 135 | 100 | 18 | 4 | 200 | 8,15 | ||
Предыдущая статья
Следующая статья
← вернуться в раздел
← вернуться в оглавление справочника