Часовой пояс: UTC + 3 часа [ Летнее время ]




Начать новую тему Ответить на тему
 Страница 1 из 1  [ Сообщений: 29 ] 
Автор Сообщение
 Заголовок сообщения: Затворы гиганты
СообщениеДобавлено: 23 фев 2009, 10:17 
Не в сети
Аватара пользователя

Зарегистрирован: 26 мар 2007, 11:30
Сообщения: 70
Откуда: Раша
Благодарил (а): 0 раз.
Поблагодарили: 13 раз.
Заслуженная репутация: 0
 Ответить с цитатой Ответить на тему 
Нашел в интернете фото затвора Ду1400 19с38нж. Затворчик стоит уважения. Сколько он весит не знаю.


Затворы гиганты / 1400.jpg
142.77 КБ, Просмотров: 59373

_________________
Хочешь жить - умей вертеться
Вернуться к началу
  Ответить с цитатой Ответить на тему  Профиль   Рейтинг: 0  
 Заголовок сообщения: Re: Затворы гиганты
СообщениеДобавлено: 24 фев 2009, 08:46 
Аватара пользователя
 Ответить с цитатой Ответить на тему 
Судя по фотке это клапан обратный-по типу обычной хлопушки, только 1400го диаметра. И, скорее всего, говноделы его слепившие, сроду не слышали про демпфирующие устройства. :? Отсюда у меня вполне резонный вопрос: ему гаплык будет после первой сработки или он до второго раза все-таки доживет :?:


Вернуться к началу
  Ответить с цитатой Ответить на тему   
 Заголовок сообщения: Re: Затворы гиганты
СообщениеДобавлено: 24 фев 2009, 12:39 
Аватара пользователя
 Ответить с цитатой Ответить на тему 
Расскажите про демпфилирующие устройства пожалуйста поподробнее, они ставятся на все диаметры таких клапанов или только на большие диаметры? Как определить есть оно или его нет


Вернуться к началу
  Ответить с цитатой Ответить на тему   
 Заголовок сообщения: Re: Затворы гиганты
СообщениеДобавлено: 24 фев 2009, 14:13 
Аватара пользователя
 Ответить с цитатой Ответить на тему 
Попытаюсь изложить свои соображения по этому поводу, хотя наверняка в чем-то ошибусь, и все рассуждения чисто субъективны, без математических выкладок, так сказать ИМХО.
Проблема в следующем: клапан работоспособен-это не оспариваю, а вот ресурс-это большой вопрос! Представим случилось страшное-клапан сработал. Т.е. хлопушка была поднята вверх, а потом банально опустилась...При таком способе крепления хлопушки (ось сверху) мы получаем удар стальным блином радиусом 1400мм и толщиной.. я думаю не меньше 50. есть желание-посчитайте массу и энергию. Отсюда все вытекающие последствия: наклеп на кольцах, а также колебательные процессы вследствие сил второго порядка-серьезное испытание для сварных швов. Если здесь есть грамотный инженер, который может произвести данные расчеты-очччень любопытно было бы изучить, к сожалению моего недообразования на расчет ударной нагрузки не хватит... Решается данный вопрос просто: противовес снаружи(например икаровский 19ч19р) поднятие которого потребляет пот. энергию хлопушки, гидравлические демпферы(УК 44...) или размещение оси посредине хлопушки-как можно ближе к центру масс (19с47нж, 19с49нж и т.д.)
Как-то вот так..
P.S. Еще раз повторюсь-если здесь есть инженер способный этот процесс рассчитать или смоделировать, не поленитесь, выложите расчет. С уважением.


Вернуться к началу
  Ответить с цитатой Ответить на тему   
 Заголовок сообщения: Re: Затворы гиганты
СообщениеДобавлено: 24 фев 2009, 16:54 
Аватара пользователя
 Ответить с цитатой Ответить на тему 
Зато у него есть петелька для удачной транспортировки! :D :D

Присоединяюсь к мнению click. Однако внизу есть привареный ограничитель. Мож он выполняет некую функцию компенсатора? Мож демпфер где-то сбоку?(видел такое устройство на клапане Ду400). Вообще похоже на самопал, без демпфера одноразовый. Когда-то общался с механиком.У них проблема: на подаче технической воды(с периодическим отключением насосов) труба Ду400, Ру рабочее - 18атм летят обр.клапаны. Причем слетают в основном сами тарелки с петель. Говорит - интересно звучит слетевшая тарелка, когда несется по трубопроводу Ру18! :D :D А потом влетает в задвижку.А потом наблюдают фонтан! :D :D :D Как новогодний фейверк! Так вот смотрю я , а шпилечки, как по мне - слабоватые на этом клапане.


Вернуться к началу
  Ответить с цитатой Ответить на тему   
СообщениеДобавлено: 06 мар 2009, 08:26 
Аватара пользователя
 Ответить с цитатой Ответить на тему 
В пензе делают завторы из Титана, низким давлением. Давно-давно была заявка на Ду1200 затвор ПТ99002. Стоимость на заводе, которую мне озвучили говорить не буду, одни нули после двух первых цифр. Действительно арматура уникальная и очень дорогущая. Лежит никому не нужная, а как стрельнет, мало не покажется!


Вернуться к началу
  Ответить с цитатой Ответить на тему   
 Заголовок сообщения: Re: Затворы гиганты
СообщениеДобавлено: 06 мар 2009, 11:03 
Аватара пользователя
 Ответить с цитатой Ответить на тему 
Так ентой 1400-кой пионеров пугать, у меня 1600 стоит. Кому надо?


Вернуться к началу
  Ответить с цитатой Ответить на тему   
 Заголовок сообщения: Re: Затворы гиганты
СообщениеДобавлено: 06 мар 2009, 12:02 
Не в сети

Зарегистрирован: 18 фев 2009, 16:02
Сообщения: 74
Благодарил (а): 11 раз.
Поблагодарили: 45 раз.
Заслуженная репутация: 0
 Ответить с цитатой Ответить на тему 
Гоша не Уральский... если можеш выложи фотки ...оно пока не надо, но интересно :lol:


Вернуться к началу
  Ответить с цитатой Ответить на тему  Профиль   Рейтинг: 0  
 Заголовок сообщения: Re: Затворы гиганты
СообщениеДобавлено: 06 мар 2009, 13:20 
Аватара пользователя
 Ответить с цитатой Ответить на тему 
Lexx, тля тебя!!


Затворы гиганты / сталь Ду1600.JPG
63.54 КБ, Просмотров: 59333
Вернуться к началу
  Ответить с цитатой Ответить на тему   
 Заголовок сообщения: Re: Затворы гиганты
СообщениеДобавлено: 11 мар 2009, 10:49 
Аватара пользователя
 Ответить с цитатой Ответить на тему 
Да он на выбросах обычно стойт Ру2-6 кг что ему будет


Вернуться к началу
  Ответить с цитатой Ответить на тему   
 Заголовок сообщения: Re: Затворы гиганты
СообщениеДобавлено: 11 мар 2009, 12:05 
Аватара пользователя
 Ответить с цитатой Ответить на тему 
Денфера обычно ставятся по требованию заказчика. у нас так делают. При гидроударах и как говорили выше при постоянных отключениях насосов. А на гавнопоток пойдет :D


Вернуться к началу
  Ответить с цитатой Ответить на тему   
 Заголовок сообщения: Re: Затворы гиганты
СообщениеДобавлено: 11 мар 2009, 14:48 
Аватара пользователя
 Ответить с цитатой Ответить на тему 
На сливе видел задвижку Ду 2000 Ру 2.5 и ниче держит себе


Вернуться к началу
  Ответить с цитатой Ответить на тему   
 Заголовок сообщения: Re: Затворы гиганты
СообщениеДобавлено: 30 мар 2009, 15:40 
Аватара пользователя
 Ответить с цитатой Ответить на тему 
Вот еще гиганты, может кому надо.


Затворы гиганты / 4.jpg
1.49 МБ, Просмотров: 59309 Затворы гиганты / 3.jpg
797.41 КБ, Просмотров: 59303 Затворы гиганты / 1.jpg
709.99 КБ, Просмотров: 59314
Вернуться к началу
  Ответить с цитатой Ответить на тему   
 Заголовок сообщения: Re: Затворы гиганты
СообщениеДобавлено: 30 мар 2009, 15:42 
Аватара пользователя
 Ответить с цитатой Ответить на тему 
Это Ду2000 Ру2.5


Вернуться к началу
  Ответить с цитатой Ответить на тему   
 Заголовок сообщения: Re: Затворы гиганты
СообщениеДобавлено: 01 апр 2009, 10:58 
Аватара пользователя
 Ответить с цитатой Ответить на тему 
Фото клапана
Изготовитель www.ozngo.ru


Вернуться к началу
  Ответить с цитатой Ответить на тему   
 Заголовок сообщения: Re: Затворы гиганты
СообщениеДобавлено: 01 апр 2009, 12:13 
Не в сети
Аватара пользователя

Зарегистрирован: 27 фев 2009, 10:47
Сообщения: 6
Благодарил (а): 0 раз.
Поблагодарили: 2 раз.
Заслуженная репутация: 0
 Ответить с цитатой Ответить на тему 
Ох и жесткие болванки.... :D

_________________
прикольная тема


Вернуться к началу
  Ответить с цитатой Ответить на тему  Профиль   Рейтинг: 0  
 Заголовок сообщения: Re: Затворы гиганты
СообщениеДобавлено: 10 апр 2009, 19:20 
Не в сети

Зарегистрирован: 18 фев 2009, 11:37
Сообщения: 16
Благодарил (а): 0 раз.
Поблагодарили: 8 раз.
Заслуженная репутация: 0
 Ответить с цитатой Ответить на тему 
Здравствуйте Всем :!:
Интересно было бы увидеть затворы (УКАЗ) :?:


Вернуться к началу
  Ответить с цитатой Ответить на тему  Профиль   Рейтинг: 0  
 Заголовок сообщения: Re: Затворы гиганты
СообщениеДобавлено: 12 апр 2009, 07:56 
Аватара пользователя
 Ответить с цитатой Ответить на тему 
Усть-Каменогорский АЗ много арматуры выпускает общепромышленного назначения и для НГК. Вот некоторые образцы того что сейчас они делают:

ЗАТВОРЫ ОБРАТНЫЕ ФЛАНЦЕВЫЕ

DN 300, 350, 400, 500, 600 700, 800, 1000, 1200
РN 1,6; 2,5 МПа по типу 19с20нж Код КПВЭД 29.13.11 ПРЕДНАЗНАЧЕНЫ для предотвращения обратного потока транспортируемой среды в трубопроводе и обеспечения безопасности работы оборудования и обслуживающего персонала на перекачивающей станции.

ЗАТВОРЫ ОБРАТНЫЕ ПОД ПРИВАРКУ

РN 1,6; 2,5; 4,0; 6,3; 8,0; 10,0; 12,5 МПа
по типу 19с20нж. Предназначены для предотвращения обратного потока транспортируемой среды в трубопроводе и обеспечения безопасности работы оборудования и обслуживающего персонала на перекачивающей станции.


Затворы гиганты / c17.gif
34.26 КБ, Просмотров: 59306 Затворы гиганты / c15.jpg
8.5 КБ, Просмотров: 62120 Затворы гиганты / c15.gif
40.21 КБ, Просмотров: 59307
Вернуться к началу
  Ответить с цитатой Ответить на тему   
 Заголовок сообщения: Re: Затворы гиганты
СообщениеДобавлено: 12 апр 2009, 07:58 
Аватара пользователя
 Ответить с цитатой Ответить на тему 
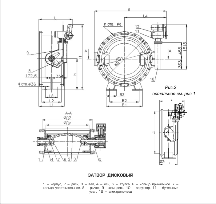
ЗАТВОРЫ ДИСКОВЫЕ
DN 400, 600, 800, 1000
РN 1,0 МПа
32с908р

Предназначены для установки в качестве запорных устройств на трубопроводах пресной воды для технических целей, а также в водозаборной части систем хозяйственно-питьевого водоснабжения.


Затворы гиганты / c21.jpg
17.04 КБ, Просмотров: 62119 Затворы гиганты / c21.gif
71.11 КБ, Просмотров: 59305
Вернуться к началу
  Ответить с цитатой Ответить на тему   
 Заголовок сообщения: Re: Затворы гиганты
СообщениеДобавлено: 12 апр 2009, 08:00 
Аватара пользователя
 Ответить с цитатой Ответить на тему 
ЗАТВОРЫ ДИСКОВЫЕ
DN 1200, 1400, 1600, 1800, 2000, 2200, 2400
PN 0,25, 1,0 МПа
32с908рМ

Предназначены для установки в качестве запорных устройств на трубопроводах пресной воды для технических целей, а также в водозаборной части систем хозяйственно-питьевого водоснабжения.


Затворы гиганты / c23.jpg
10.29 КБ, Просмотров: 62112 Затворы гиганты / c23.gif
90.02 КБ, Просмотров: 59307
Вернуться к началу
  Ответить с цитатой Ответить на тему   
 Заголовок сообщения: Re: Затворы гиганты
СообщениеДобавлено: 12 апр 2009, 08:02 
Аватара пользователя
 Ответить с цитатой Ответить на тему 
ЗАТВОРЫ ДИСКОВЫЕDN 1000, 1200, 1400
PN 2,5 МПа
32с908р
Код ОКП 37 4149

Предназначены для установки в качестве запорных устройств на трубопроводах, транспортирующих сетевую воду.


Затворы гиганты / c25.jpg
9.72 КБ, Просмотров: 62109 Затворы гиганты / c25.gif
36.42 КБ, Просмотров: 59304
Вернуться к началу
  Ответить с цитатой Ответить на тему   
 Заголовок сообщения: Re: Затворы гиганты
СообщениеДобавлено: 12 апр 2009, 08:04 
Аватара пользователя
 Ответить с цитатой Ответить на тему 
Кому интересно, подробную информацию и размеры может найти на их сайте: http://www.ukaz.kz/


Вернуться к началу
  Ответить с цитатой Ответить на тему   
 Заголовок сообщения: Re: Затворы гиганты
СообщениеДобавлено: 15 апр 2009, 20:50 
Аватара пользователя
 Ответить с цитатой Ответить на тему 
УК затворы с нуля не достанешь просто так.


Вернуться к началу
  Ответить с цитатой Ответить на тему   
 Заголовок сообщения: Re: Затворы гиганты
СообщениеДобавлено: 15 май 2009, 07:52 
Аватара пользователя
 Ответить с цитатой Ответить на тему 
Торговый дом "Усть-Каменогорский арматурный завод" (ООО «ТД «УКАЗ» г. Москва) является официальным и полномочным представителем АО «УКАЗ» на территории РФ. Имеет право представлять интересы АО «УКАЗ», осуществлять продажи продукции как единственный торговый представитель, выступать от имени АО «УКАЗ» в проводимых тендерах, торгах на закупку оборудования, самостоятельно устанавливать ценовую политику на территории РФ.
ООО «ТД «УКАЗ» предлагает к поставке: 1. Арматуру для транспорта нефти (задвижки шиберные, задвижки клиновые, затворы обратные). 2. Арматуру общепромышленного назначения (затворы обратные, затворы дисковые, клапаны обратные). 3. Нефтепромысловое оборудование (арматура фонтанная, арматура нагнетательная, оборудование колонн клиновое, задвижки шиберные). 4. Краны шаровые.
Подробный перечень продукции на сайте http://www.ukaz.kz
Доставка до склада в г. Барнаул или до склада Покупателя.
Просьба направлять заявки на эл. почту: tdukaz@inbox.ru или на т/факс +7(7232)23-09-72
Конт. лицо: менеджер отдела продаж ООО «Торговый Дом «УКАЗ» Сизов Александр Константинович.
т.с. +7(777)118-05-49
e-mail: alexandr_sizov@mail.ru


Вернуться к началу
  Ответить с цитатой Ответить на тему   
 Заголовок сообщения: Re: Затворы гиганты
СообщениеДобавлено: 29 ноя 2012, 12:45 
Не в сети

Зарегистрирован: 08 ноя 2012, 11:54
Сообщения: 7
Благодарил (а): 0 раз.
Поблагодарили: 4 раз.
Заслуженная репутация: 1
 Ответить с цитатой Ответить на тему 
1


Вернуться к началу
  Ответить с цитатой Ответить на тему  Профиль   Рейтинг: 0  
 Заголовок сообщения: Re: Затворы гиганты
СообщениеДобавлено: 29 ноя 2012, 13:39 
Аватара пользователя
 Ответить с цитатой Ответить на тему 
А куда такие гигантские затворы могут ставится в риеальности? Пару объектов скажите


Вернуться к началу
  Ответить с цитатой Ответить на тему   
 Заголовок сообщения: Re: Затворы гиганты
СообщениеДобавлено: 30 ноя 2012, 12:37 
Не в сети
Аватара пользователя

Зарегистрирован: 08 июл 2010, 09:49
Сообщения: 3654
Благодарил (а): 33 раз.
Поблагодарили: 1199 раз.
Заслуженная репутация: 27
Общепризнанный АрматурщикОбщепризнанный Арматурщик
 Ответить с цитатой Ответить на тему 
владимиров писал(а):

DN4500 butterfly valve.JPG
Трех- эксцентриковые затворы :
РУ6, ДУ15- ДУ 6000
РУ10- РУ16, ДУ15 – ДУ4000
РУ25, ДУ15 – ДУ4000
РУ40- РУ100, ДУ15- ДУ2000
Двух-эксцентриковые затворы:
РУ10- РУ100, ДУ50- ДУ3000
любой спец.заказ
Осуществляем поставку кранов шаровых,Клапанов для Хим. Производства з-д Wuzhou Valve Co., Ltd.
Вся гамма выпускаемой продукции имеет присоединительные размеры в соответствии со стандартами ISO, СТО ОАО ГАЗПРОМ
позволяет, по желанию заказчика, применять приводы различных производителей.
Продукция сертифицирована.
Краны прошли испытания ОАО Газпром на Саратовском полигоне, 29.10.2012г
Срок поставки до 40-50 дней.
Представительство компании
Wuzhou Valve Co., Ltd.
На территории Российской Федерации
является компания ООО«Полюс- Мл»
Юридический адрес:
440011, г. Пенза, ул.М.Бугровка,17
Отдел сбыта:
Тел.: (8412)42-63-02/ 42-80-09
veliar9@gmail.com

Ненавязчивая реклама начинает одолевать, я надеюсь это последнее изображение попы китайца на фоне затвора

_________________
погуглил и полегчало!
Smart questions, Smart answers, Smart People! (c) http://www.eng-tips.com


Вернуться к началу
  Ответить с цитатой Ответить на тему  Профиль   Рейтинг: 0  
 Заголовок сообщения: Re: Затворы гиганты
СообщениеДобавлено: 30 ноя 2012, 12:58 
Не в сети

Зарегистрирован: 16 ноя 2011, 20:48
Сообщения: 215
Откуда: местный
Благодарил (а): 2 раз.
Поблагодарили: 123 раз.
Заслуженная репутация: 8
Бравый Арматурщик
 Ответить с цитатой Ответить на тему 
Спереди он более привлекателен sm_109


Затворы гиганты / 1188152778_kitai_18.jpg
35.28 КБ, Просмотров: 56612

_________________
СНИМАЕТ СТРЕСС-ДЕНЕЖНЫЙ ПРЕСС

Наши матрёшки made in China
В наших кувшинах нету джина.

Будь хоть красавцем,будь хоть уродом.
Жизнь удалась,если накормлен бутербродом.(R)
Вернуться к началу
  Ответить с цитатой Ответить на тему  Профиль   Рейтинг: 0  
 Заголовок сообщения: Re: Затворы гиганты
СообщениеДобавлено: 30 ноя 2012, 13:08 
Не в сети
Аватара пользователя

Зарегистрирован: 12 окт 2011, 08:13
Сообщения: 516
Откуда: Барнео
Благодарил (а): 3 раз.
Поблагодарили: 199 раз.
Заслуженная репутация: 6
Бравый Арматурщик
 Ответить с цитатой Ответить на тему 
ч/л дмитрий писал(а):

Спереди он более привлекателен sm_109

sm_54

_________________
Изготовление промышленного котельного и вспомогательного оборудования.


Вернуться к началу
  Ответить с цитатой Ответить на тему  Профиль   Рейтинг: 0  
Показать сообщения за:  Поле сортировки  
Начать новую тему Ответить на тему  Страница 1 из 1  [ Сообщений: 29 ] 

Быстрый ответ
Вы не можете оставлять комментарии и ответы, пожалуйста ЗАРЕГИСТРИРУЙТЕСЬ для возможности полноценного доступа к форумам этой ветки

Часовой пояс: UTC + 3 часа [ Летнее время ]


Кто сейчас на конференции

Сейчас этот форум просматривают: нет зарегистрированных пользователей и гости: 0


Вы не можете начинать темы
Вы не можете отвечать на сообщения
Вы не можете редактировать свои сообщения
Вы не можете удалять свои сообщения
Вы не можете добавлять вложения

Перейти: 
Powered by phpBB © 2000, 2002, 2005, 2007 phpBB Group [ Time : 0.745s | 70 Queries | GZIP : Off ]

@Mail.ru
Администрация портала не несёт ответственности за достоверность размещённой в сообщениях форума информации.