Часовой пояс: UTC + 3 часа [ Летнее время ]




Начать новую тему Ответить на тему
 Страница 32 из 34  [ Сообщений: 1697 ]  На страницу Пред.  1 ... 29, 30, 31, 32, 33, 34  След.
Автор Сообщение
Непрочитанное сообщениеДобавлено: 20 дек 2021, 11:36 
Не в сети
Аватара пользователя

Зарегистрирован: 02 дек 2010, 14:02
Сообщения: 701
Откуда: г. Чехов
Благодарил (а): 8 раз.
Поблагодарили: 149 раз.
Заслуженная репутация: 12
Бравый Арматурщик
 Ответить с цитатой Ответить на тему 
Антон Павлович Чехов писал(а):

Здравствуйте! Помогите, пожалуйста, с эскизом на крышку 883-100-6А-04 для задвижки 883-100-Э-02 Р 9.8 t545C. Необходимы основные размеры (диаметр и глубина сальниковой камеры шпинделя, размеры и глубина уплотняющей поверхности под корпусной сальник, высота бурта но который опирается сальник. Спасибо..

Добрый день! Эскиз с необходимыми размерами Вы можете посмотреть во вложении.


883-100-6А.pdf [484.97 КБ]
Скачиваний: 1291

_________________
ЧЗЭМ - качество проверенное временем!

"Энергомаш (Чехов)-ЧЗЭМ" - on-line консультации по арматуре - Изображение
Вернуться к началу
  Ответить с цитатой Ответить на тему  Профиль   Рейтинг: 0  
Непрочитанное сообщениеДобавлено: 13 янв 2022, 15:07 
Не в сети

Зарегистрирован: 08 авг 2016, 22:36
Сообщения: 63
Благодарил (а): 3 раз.
Поблагодарили: 0 раз.
Заслуженная репутация: 0
 Ответить с цитатой Ответить на тему 
Добрый день! Вопрос о задвижке 882-250-Э 23.5мпа 250С. Во время ремонта зачистили сальниковую камеру, уплотняющую шпиндель, прямой машинкой с абразивных камнем, основной размере не занижен, только образовались дорожки ("ступеньки") , по всей окружности камеры.. Допускается ли эксплуатация задвижки на такие параметры? Спасибо!


Вернуться к началу
  Ответить с цитатой Ответить на тему  Профиль   Рейтинг: 0  
Непрочитанное сообщениеДобавлено: 13 янв 2022, 15:43 
Не в сети
Аватара пользователя

Зарегистрирован: 02 дек 2010, 14:02
Сообщения: 701
Откуда: г. Чехов
Благодарил (а): 8 раз.
Поблагодарили: 149 раз.
Заслуженная репутация: 12
Бравый Арматурщик
 Ответить с цитатой Ответить на тему 
Антон Павлович Чехов писал(а):

Добрый день! Вопрос о задвижке 882-250-Э 23.5мпа 250С. Во время ремонта зачистили сальниковую камеру, уплотняющую шпиндель, прямой машинкой с абразивных камнем, основной размере не занижен, только образовались дорожки ("ступеньки") , по всей окружности камеры.. Допускается ли эксплуатация задвижки на такие параметры? Спасибо!

Добрый день! Размеры и шероховатость поверхностей сальниковой камеры приведены в п.6.1.2 РД 153-34.1-39.605-2002 "ОБЩИЕ ТРЕБОВАНИЯ И УКАЗАНИЯ по применению уплотнений из терморасширенного графита в арматуре ТЭС" (см. вложение). Шероховатость поверхности должна быть не выше Rz20.


РД 153.PDF [177.41 КБ]
Скачиваний: 1215

_________________
ЧЗЭМ - качество проверенное временем!

"Энергомаш (Чехов)-ЧЗЭМ" - on-line консультации по арматуре - Изображение
Вернуться к началу
  Ответить с цитатой Ответить на тему  Профиль   Рейтинг: 0  
Непрочитанное сообщениеДобавлено: 21 янв 2022, 09:32 
Не в сети

Зарегистрирован: 08 авг 2016, 22:36
Сообщения: 63
Благодарил (а): 3 раз.
Поблагодарили: 0 раз.
Заслуженная репутация: 0
 Ответить с цитатой Ответить на тему 
Здравствуйте! Помогите, пожалуйста, с эскизом на крышку 883-200-9-01 для задвижки 882-250-Э Р 23.5 Мра t250C. Необходимы основные размеры (диаметр и глубина сальниковой камеры шпинделя, размеры и глубина уплотняющей поверхности под корпусной сальник, высота бурта но который опирается сальник, шероховатости уплотняющих поверхностей. Спасибо..


Вернуться к началу
  Ответить с цитатой Ответить на тему  Профиль   Рейтинг: 0  
Непрочитанное сообщениеДобавлено: 21 янв 2022, 10:01 
Не в сети
Аватара пользователя

Зарегистрирован: 02 дек 2010, 14:02
Сообщения: 701
Откуда: г. Чехов
Благодарил (а): 8 раз.
Поблагодарили: 149 раз.
Заслуженная репутация: 12
Бравый Арматурщик
 Ответить с цитатой Ответить на тему 
Антон Павлович Чехов писал(а):

Здравствуйте! Помогите, пожалуйста, с эскизом на крышку 883-200-9-01 для задвижки 882-250-Э Р 23.5 Мра t250C. Необходимы основные размеры (диаметр и глубина сальниковой камеры шпинделя, размеры и глубина уплотняющей поверхности под корпусной сальник, высота бурта но который опирается сальник, шероховатости уплотняющих поверхностей. Спасибо..

Добрый день! Эскиз крышки 883-200-9-01 с необходимыми размерами Вы можете посмотреть во вложении.


883-200-9.pdf [2.24 МБ]
Скачиваний: 1354

_________________
ЧЗЭМ - качество проверенное временем!

"Энергомаш (Чехов)-ЧЗЭМ" - on-line консультации по арматуре - Изображение
Вернуться к началу
  Ответить с цитатой Ответить на тему  Профиль   Рейтинг: 0  
Непрочитанное сообщениеДобавлено: 03 фев 2022, 04:36 
Не в сети
Аватара пользователя

Зарегистрирован: 03 янв 2022, 19:14
Сообщения: 64
Откуда: СГРЭС-2
Благодарил (а): 7 раз.
Поблагодарили: 4 раз.
Заслуженная репутация: 0
 Ответить с цитатой Ответить на тему 
Добрый день. На импульсном клапане 586-20-ЭМ сверху сбоку есть патрубок с диаметром отверстия 16мм. У нас на работе возникли споры о его назначении. У нас от него идет трубка в трубопровод выхлопа главного предохранительного клапана. Подскажите пожалуйста назначение этого патрубка, как может повлиять на работу ГПК и ИПК если эта трубка забьется(она довольно длинная, порядка 8-10 метров и относительно небольшого диаметра).

С уважением Юрий.


Вернуться к началу
  Ответить с цитатой Ответить на тему  Профиль   Рейтинг: 0  
Непрочитанное сообщениеДобавлено: 07 фев 2022, 15:58 
Не в сети
Аватара пользователя

Зарегистрирован: 02 дек 2010, 14:02
Сообщения: 701
Откуда: г. Чехов
Благодарил (а): 8 раз.
Поблагодарили: 149 раз.
Заслуженная репутация: 12
Бравый Арматурщик
 Ответить с цитатой Ответить на тему 
Тараканов Юрий7 писал(а):

Добрый день. На импульсном клапане 586-20-ЭМ сверху сбоку есть патрубок с диаметром отверстия 16мм. У нас на работе возникли споры о его назначении. У нас от него идет трубка в трубопровод выхлопа главного предохранительного клапана. Подскажите пожалуйста назначение этого патрубка, как может повлиять на работу ГПК и ИПК если эта трубка забьется(она довольно длинная, порядка 8-10 метров и относительно небольшого диаметра).
С уважением Юрий.

Добрый день! Это дренажный патрубок, и в соответствии с РЭ к нему приваривается трубопровод, ведущий в дренаж (как у Вас и сделано). Забиться эта трубка не может (по крайней мере долгое время не забьется), так как среда в клапан попадает через фильтр циклонного типа, который предназначен для грубой очистки рабочей среды от примесей.


586-20-ЭМ РЭ.pdf [75.84 КБ]
Скачиваний: 1205

_________________
ЧЗЭМ - качество проверенное временем!

"Энергомаш (Чехов)-ЧЗЭМ" - on-line консультации по арматуре - Изображение
Вернуться к началу
  Ответить с цитатой Ответить на тему  Профиль   Рейтинг: 0  
Непрочитанное сообщениеДобавлено: 09 фев 2022, 13:43 
Не в сети

Зарегистрирован: 08 авг 2016, 22:36
Сообщения: 63
Благодарил (а): 3 раз.
Поблагодарили: 0 раз.
Заслуженная репутация: 0
 Ответить с цитатой Ответить на тему 
Здравствуйте! Помогите, пожалуйста, с эскизом на червяк н. ч. 823-Э-3-02 для электропривода 793-ЭР-01


Вернуться к началу
  Ответить с цитатой Ответить на тему  Профиль   Рейтинг: 0  
Непрочитанное сообщениеДобавлено: 09 фев 2022, 14:40 
Не в сети
Аватара пользователя

Зарегистрирован: 02 дек 2010, 14:02
Сообщения: 701
Откуда: г. Чехов
Благодарил (а): 8 раз.
Поблагодарили: 149 раз.
Заслуженная репутация: 12
Бравый Арматурщик
 Ответить с цитатой Ответить на тему 
Антон Павлович Чехов писал(а):

Здравствуйте! Помогите, пожалуйста, с эскизом на червяк н. ч. 823-Э-3-02 для электропривода 793-ЭР-01

Добрый день! Эскиз червяка 823-Э-3-02 Вы можете посмотреть во вложении.


823-Э-3.pdf [2.22 МБ]
Скачиваний: 1445

_________________
ЧЗЭМ - качество проверенное временем!

"Энергомаш (Чехов)-ЧЗЭМ" - on-line консультации по арматуре - Изображение
Вернуться к началу
  Ответить с цитатой Ответить на тему  Профиль   Рейтинг: 0  
Непрочитанное сообщениеДобавлено: 09 фев 2022, 20:09 
Не в сети
Аватара пользователя

Зарегистрирован: 03 янв 2022, 19:14
Сообщения: 64
Откуда: СГРЭС-2
Благодарил (а): 7 раз.
Поблагодарили: 4 раз.
Заслуженная репутация: 0
 Ответить с цитатой Ответить на тему 
ЧЗЭМ писал(а):

Тараканов Юрий7 писал(а):

Добрый день. На импульсном клапане 586-20-ЭМ сверху сбоку есть патрубок с диаметром отверстия 16мм. У нас на работе возникли споры о его назначении. У нас от него идет трубка в трубопровод выхлопа главного предохранительного клапана. Подскажите пожалуйста назначение этого патрубка, как может повлиять на работу ГПК и ИПК если эта трубка забьется(она довольно длинная, порядка 8-10 метров и относительно небольшого диаметра).
С уважением Юрий.

Добрый день! Это дренажный патрубок, и в соответствии с РЭ к нему приваривается трубопровод, ведущий в дренаж (как у Вас и сделано). Забиться эта трубка не может (по крайней мере долгое время не забьется), так как среда в клапан попадает через фильтр циклонного типа, который предназначен для грубой очистки рабочей среды от примесей.

Спасибо за ответ. Есть еще пара вопросов по клапану 586-20-ЭМ. В РЭ на 5-й странице есть таблица в ней ход клапана обозначен 5+-0.5мм у нас на некоторых клапанах по результатам замеров это ход получился порядка 7,5-8,5мм. Как это может отразиться на нормальной работе клапана. И по поводу дренажного патрубка он для отвода конденсата или пара( просто недавно коллега ездил на Костромскую ГРЭС и там эти патрубки выведены прямо в цех и при опробовании первоначально с них шла вода а потом пар).


Вернуться к началу
  Ответить с цитатой Ответить на тему  Профиль   Рейтинг: 0  
Непрочитанное сообщениеДобавлено: 10 фев 2022, 09:32 
Не в сети
Аватара пользователя

Зарегистрирован: 02 дек 2010, 14:02
Сообщения: 701
Откуда: г. Чехов
Благодарил (а): 8 раз.
Поблагодарили: 149 раз.
Заслуженная репутация: 12
Бравый Арматурщик
 Ответить с цитатой Ответить на тему 
Тараканов Юрий7 писал(а):

Спасибо за ответ. Есть еще пара вопросов по клапану 586-20-ЭМ. В РЭ на 5-й странице есть таблица в ней ход клапана обозначен 5+-0.5мм у нас на некоторых клапанах по результатам замеров это ход получился порядка 7,5-8,5мм. Как это может отразиться на нормальной работе клапана. И по поводу дренажного патрубка он для отвода конденсата или пара( просто недавно коллега ездил на Костромскую ГРЭС и там эти патрубки выведены прямо в цех и при опробовании первоначально с них шла вода а потом пар).

Увеличение хода не нарушает работы клапана. Дренажные патрубки могут быть отведены либо в дренажный трубопровод, либо в цех (как на Костромской ГРЭС), тут каждая станция решает сама, что им проще и удобнее. Вода, а затем пар в дренажном трубопроводе – это нормально.

_________________
ЧЗЭМ - качество проверенное временем!

"Энергомаш (Чехов)-ЧЗЭМ" - on-line консультации по арматуре - Изображение


Вернуться к началу
  Ответить с цитатой Ответить на тему  Профиль   Рейтинг: 0  
Непрочитанное сообщениеДобавлено: 17 фев 2022, 19:35 
Не в сети
Аватара пользователя

Зарегистрирован: 03 янв 2022, 19:14
Сообщения: 64
Откуда: СГРЭС-2
Благодарил (а): 7 раз.
Поблагодарили: 4 раз.
Заслуженная репутация: 0
 Ответить с цитатой Ответить на тему 
Здравствуйте. На блоках установлены ГПК 1029-200/250. Иногда выдувает комплект сальниковых колец, установленных между седлом и решёткой и соответственно клапан начинает пропускать пар. На блоке установлено по 4 ГПК. Сальник такой -Комплект К-04П-260х220х20-КГФ-Г. Мастер говорит что раньше(12-15 лет назад) ставили набивку сальниковую плетеную из нитей графитовой фольги, резали в размер и прессовали прессом и таких проблем не припоминает. Сейчас пресса уже нет. Подскажите почему это может происходить и что возможно предпринять для предотвращения подобных ситуаций в будущем.


"Энергомаш (Чехов)-ЧЗЭМ" - on-line консультации по арматуре / гпк.jpg
155.57 КБ, Просмотров: 81808
Вернуться к началу
  Ответить с цитатой Ответить на тему  Профиль   Рейтинг: 0  
Непрочитанное сообщениеДобавлено: 18 фев 2022, 15:24 
Не в сети

Зарегистрирован: 08 авг 2016, 22:36
Сообщения: 63
Благодарил (а): 3 раз.
Поблагодарили: 0 раз.
Заслуженная репутация: 0
 Ответить с цитатой Ответить на тему 
Здравствуйте! Помогите, пожалуйста, с эскизами на кулачковые муфты для электроприводов 795-Э-0 и 797-Э-0. Спасибо


Вернуться к началу
  Ответить с цитатой Ответить на тему  Профиль   Рейтинг: 0  
Непрочитанное сообщениеДобавлено: 25 фев 2022, 22:58 
Не в сети

Зарегистрирован: 08 авг 2016, 22:36
Сообщения: 63
Благодарил (а): 3 раз.
Поблагодарили: 0 раз.
Заслуженная репутация: 0
 Ответить с цитатой Ответить на тему 
Здравствуйте! Дроссельное устройство вашего производства?


"Энергомаш (Чехов)-ЧЗЭМ" - on-line консультации по арматуре / IMG_20220225_100927.jpg
385.53 КБ, Просмотров: 81453
Вернуться к началу
  Ответить с цитатой Ответить на тему  Профиль   Рейтинг: 0  
Непрочитанное сообщениеДобавлено: 26 фев 2022, 00:48 
Не в сети

Зарегистрирован: 13 авг 2013, 14:47
Сообщения: 28
Благодарил (а): 0 раз.
Поблагодарили: 3 раз.
Заслуженная репутация: 0
 Ответить с цитатой Ответить на тему 
Дроссель Чехова - 345-50-Шв.
А это дроссель Сумского завода "Насосэнергомаш" (чертеж ихний, а изготовителем м.б. любой шараш-монтаж,хотя "НЭМ" в начале как бы намекает, что они и произвели).


Вернуться к началу
  Ответить с цитатой Ответить на тему  Профиль   Рейтинг: 0  
Непрочитанное сообщениеДобавлено: 28 фев 2022, 08:24 
Не в сети
Аватара пользователя

Зарегистрирован: 02 дек 2010, 14:02
Сообщения: 701
Откуда: г. Чехов
Благодарил (а): 8 раз.
Поблагодарили: 149 раз.
Заслуженная репутация: 12
Бравый Арматурщик
 Ответить с цитатой Ответить на тему 
Антон Павлович Чехов писал(а):

Здравствуйте! Дроссельное устройство вашего производства?

Нет, это ДУ не нашего производства

_________________
ЧЗЭМ - качество проверенное временем!

"Энергомаш (Чехов)-ЧЗЭМ" - on-line консультации по арматуре - Изображение


Вернуться к началу
  Ответить с цитатой Ответить на тему  Профиль   Рейтинг: 0  
Непрочитанное сообщениеДобавлено: 28 фев 2022, 08:28 
Не в сети
Аватара пользователя

Зарегистрирован: 02 дек 2010, 14:02
Сообщения: 701
Откуда: г. Чехов
Благодарил (а): 8 раз.
Поблагодарили: 149 раз.
Заслуженная репутация: 12
Бравый Арматурщик
 Ответить с цитатой Ответить на тему 
Антон Павлович Чехов писал(а):

Здравствуйте! Помогите, пожалуйста, с эскизами на кулачковые муфты для электроприводов 795-Э-0 и 797-Э-0. Спасибо

Что Вы подразумеваете под кулачковой муфтой? В составе электроприводов 795-Э-0 и 797-Э-0 такой детали нет.

_________________
ЧЗЭМ - качество проверенное временем!

"Энергомаш (Чехов)-ЧЗЭМ" - on-line консультации по арматуре - Изображение


Вернуться к началу
  Ответить с цитатой Ответить на тему  Профиль   Рейтинг: 0  
Непрочитанное сообщениеДобавлено: 28 фев 2022, 13:59 
Не в сети

Зарегистрирован: 08 авг 2016, 22:36
Сообщения: 63
Благодарил (а): 3 раз.
Поблагодарили: 0 раз.
Заслуженная репутация: 0
 Ответить с цитатой Ответить на тему 
Кулачковая муфта, которая через промежуточный сухарь соединяется с муфтой элетродвигателя


Вернуться к началу
  Ответить с цитатой Ответить на тему  Профиль   Рейтинг: 0  
Непрочитанное сообщениеДобавлено: 28 фев 2022, 14:33 
Не в сети
Аватара пользователя

Зарегистрирован: 02 дек 2010, 14:02
Сообщения: 701
Откуда: г. Чехов
Благодарил (а): 8 раз.
Поблагодарили: 149 раз.
Заслуженная репутация: 12
Бравый Арматурщик
 Ответить с цитатой Ответить на тему 
Антон Павлович Чехов писал(а):

Кулачковая муфта, которая через промежуточный сухарь соединяется с муфтой элетродвигателя

А, понятно, эта деталь по КД называется кулачок. В электроприводе 795-Э-0 используется кулачок 825-Э-33а-02 со стороны редуктора и 825-Э-33а со стороны электродвигателя, в электроприводе 797-Э-0 и там , и там кулачок 767-Э-24А. Размеры Вы можете посмотреть на приложенных эскизах.


825-Э-33а.pdf [148.48 КБ]
Скачиваний: 1259
767-Э-24А.pdf [152.9 КБ]
Скачиваний: 1298

_________________
ЧЗЭМ - качество проверенное временем!

"Энергомаш (Чехов)-ЧЗЭМ" - on-line консультации по арматуре - Изображение
Вернуться к началу
  Ответить с цитатой Ответить на тему  Профиль   Рейтинг: 0  
Непрочитанное сообщениеДобавлено: 28 фев 2022, 15:16 
Не в сети

Зарегистрирован: 08 авг 2016, 22:36
Сообщения: 63
Благодарил (а): 3 раз.
Поблагодарили: 0 раз.
Заслуженная репутация: 0
 Ответить с цитатой Ответить на тему 
Спасибо!!!


Вернуться к началу
  Ответить с цитатой Ответить на тему  Профиль   Рейтинг: 0  
Непрочитанное сообщениеДобавлено: 23 мар 2022, 08:23 
Не в сети
Аватара пользователя

Зарегистрирован: 03 янв 2022, 19:14
Сообщения: 64
Откуда: СГРЭС-2
Благодарил (а): 7 раз.
Поблагодарили: 4 раз.
Заслуженная репутация: 0
 Ответить с цитатой Ответить на тему 
Добрый день. У нас на станции установлены клапана импульсные 112-25, сейчас обсуждается идея изготовить и установить в эти клапана седло и тарелку с конической уплотняющей поверхностью. Седла и тарелки будут изготовлены у нас на станции из стали 30Х13. Опытный образец уже изготовлен и опробован на стенде для настройки предохранительных клапанов. Подскажите пожалуйста возможно как то эти изменения согласовать с вами.


Вернуться к началу
  Ответить с цитатой Ответить на тему  Профиль   Рейтинг: 0  
Непрочитанное сообщениеДобавлено: 24 мар 2022, 11:32 
Не в сети

Зарегистрирован: 30 ноя 2009, 09:50
Сообщения: 759
Благодарил (а): 191 раз.
Поблагодарили: 191 раз.
Заслуженная репутация: 14
Бравый Арматурщик
 Ответить с цитатой Ответить на тему 
Такую реконструкцию в 80 - х годах уже разработал ОРГРЭС. 12570 - 25.
ЧЗЭМ придерживается мнения, что плоская уплотнительная поверхность лучше.
Я переделал все ИПК без согласования с заводом.


Вернуться к началу
  Ответить с цитатой Ответить на тему  Профиль   Рейтинг: 0  
Непрочитанное сообщениеДобавлено: 24 мар 2022, 13:30 
Не в сети
Аватара пользователя

Зарегистрирован: 02 дек 2010, 14:02
Сообщения: 701
Откуда: г. Чехов
Благодарил (а): 8 раз.
Поблагодарили: 149 раз.
Заслуженная репутация: 12
Бравый Арматурщик
 Ответить с цитатой Ответить на тему 
Тараканов Юрий7 писал(а):

Добрый день. У нас на станции установлены клапана импульсные 112-25, сейчас обсуждается идея изготовить и установить в эти клапана седло и тарелку с конической уплотняющей поверхностью. Седла и тарелки будут изготовлены у нас на станции из стали 30Х13. Опытный образец уже изготовлен и опробован на стенде для настройки предохранительных клапанов. Подскажите пожалуйста возможно как то эти изменения согласовать с вами.

Добрый день, Юрий! Как уже написали выше, мы придерживаемся мнения, что уплотнение по плоскости более эффективно с точки зрения протечек среды через затвор клапана и проще технологически с точки зрения притирки. Но если Вы нам направите официальный запрос с приложением эскизов, то конечно мы Вам согласуем, если у Вас это кто-то требует.

_________________
ЧЗЭМ - качество проверенное временем!

"Энергомаш (Чехов)-ЧЗЭМ" - on-line консультации по арматуре - Изображение


Вернуться к началу
  Ответить с цитатой Ответить на тему  Профиль   Рейтинг: 0  
Непрочитанное сообщениеДобавлено: 07 апр 2022, 11:15 
Не в сети
Аватара пользователя

Зарегистрирован: 07 апр 2022, 10:32
Сообщения: 1
Благодарил (а): 1 раз.
Поблагодарили: 0 раз.
Заслуженная репутация: 0
 Ответить с цитатой Ответить на тему 
Коллеги, здравствуйте, помогите пожалуйста с эскизом седла клапана 870-200-Э. В чём отличие седла 870-250-6 исп.2 от 810-225-2. В теме есть переписка по клапану 868-250-Эм где приложен эскиз на седло 870-250-6-01 (рисунок 1) и седло 870-250-6-03 (рисунок 3). Если учитывать СРД-ТТ-98 пункт 3.4. "Предотвращение разрывов трубопроводов за регулирующими клапанами питания котлов", где "...на РПК котлов паропроизводительностью до 500 т/ч, где в соответствии с Противоаварийным циркуляром Т-2/77 «О предотвращении разрывов трубопроводов барабанных котлов, оснащенных на узле питания шиберными клапанами» были установлены седла, заварить широкую щель в нижней части профиля….." получается эскиз седла 870-250-6-03 (рисунок 3), после доработки (заварка щели в нижней части профиля), можно применять как седло 870-250-6 исп.2?? Заранее благодарен!


Вернуться к началу
  Ответить с цитатой Ответить на тему  Профиль   Рейтинг: 0  
Непрочитанное сообщениеДобавлено: 07 апр 2022, 14:03 
Не в сети
Аватара пользователя

Зарегистрирован: 02 дек 2010, 14:02
Сообщения: 701
Откуда: г. Чехов
Благодарил (а): 8 раз.
Поблагодарили: 149 раз.
Заслуженная репутация: 12
Бравый Арматурщик
 Ответить с цитатой Ответить на тему 
Рощупкин Виталий писал(а):

Коллеги, здравствуйте, помогите пожалуйста с эскизом седла клапана 870-200-Э. В чём отличие седла 870-250-6 исп.2 от 810-225-2. В теме есть переписка по клапану 868-250-Эм где приложен эскиз на седло 870-250-6-01 (рисунок 1) и седло 870-250-6-03 (рисунок 3). Если учитывать СРД-ТТ-98 пункт 3.4. "Предотвращение разрывов трубопроводов за регулирующими клапанами питания котлов", где "...на РПК котлов паропроизводительностью до 500 т/ч, где в соответствии с Противоаварийным циркуляром Т-2/77 «О предотвращении разрывов трубопроводов барабанных котлов, оснащенных на узле питания шиберными клапанами» были установлены седла, заварить широкую щель в нижней части профиля….." получается эскиз седла 870-250-6-03 (рисунок 3), после доработки (заварка щели в нижней части профиля), можно применять как седло 870-250-6 исп.2?? Заранее благодарен!

Добрый день, Виталий! В клапане регулирующем 870-200-Э используется седло 810-225-2а. Эскиз с основными размерами Вы можете посмотреть во вложении. Сёдла 870-250-6-02 и 810-225-2а полностью идентичны по габаритным размерам, количеству и расположению отверстий. Из седла 870-250-6-03 нельзя получить исполнение 870-250-6-02, там расположение отверстий разное.


810-225-2а.pdf [2.28 МБ]
Скачиваний: 1383

_________________
ЧЗЭМ - качество проверенное временем!

"Энергомаш (Чехов)-ЧЗЭМ" - on-line консультации по арматуре - Изображение
Вернуться к началу
  Ответить с цитатой Ответить на тему  Профиль   Рейтинг: 0  
Непрочитанное сообщениеДобавлено: 13 апр 2022, 12:12 
Не в сети
Аватара пользователя

Зарегистрирован: 03 янв 2022, 19:14
Сообщения: 64
Откуда: СГРЭС-2
Благодарил (а): 7 раз.
Поблагодарили: 4 раз.
Заслуженная репутация: 0
 Ответить с цитатой Ответить на тему 
ЧЗЭМ писал(а):

Тараканов Юрий7 писал(а):

Добрый день. У нас на станции установлены клапана импульсные 112-25, сейчас обсуждается идея изготовить и установить в эти клапана седло и тарелку с конической уплотняющей поверхностью. Седла и тарелки будут изготовлены у нас на станции из стали 30Х13. Опытный образец уже изготовлен и опробован на стенде для настройки предохранительных клапанов. Подскажите пожалуйста возможно как то эти изменения согласовать с вами.

Добрый день, Юрий! Как уже написали выше, мы придерживаемся мнения, что уплотнение по плоскости более эффективно с точки зрения протечек среды через затвор клапана и проще технологически с точки зрения притирки. Но если Вы нам направите официальный запрос с приложением эскизов, то конечно мы Вам согласуем, если у Вас это кто-то требует.


Добрый день. Эскизы подготовили, подскажите пожалуйста в какой форме и на кого писать официальный запрос


Вернуться к началу
  Ответить с цитатой Ответить на тему  Профиль   Рейтинг: 0  
Непрочитанное сообщениеДобавлено: 13 апр 2022, 13:28 
Не в сети
Аватара пользователя

Зарегистрирован: 02 дек 2010, 14:02
Сообщения: 701
Откуда: г. Чехов
Благодарил (а): 8 раз.
Поблагодарили: 149 раз.
Заслуженная репутация: 12
Бравый Арматурщик
 Ответить с цитатой Ответить на тему 
Тараканов Юрий7 писал(а):

Добрый день. Эскизы подготовили, подскажите пожалуйста в какой форме и на кого писать официальный запрос

Добрый день! Письмо, с приложением эскизов, можно написать на имя Главного конструктора АО "Энергомаш (Чехов)-ЧЗЭМ" Задойного Владимира Анатольевича, e-mail: chzem@zavodchzem.ru. Письмо в свободной форме: Мы эксплуатируем такие-то клапаны, в связи с производственной необходимостью прошу Вас согласовать доработку таких-то деталей в соответствии с приложенными эскизами.

_________________
ЧЗЭМ - качество проверенное временем!

"Энергомаш (Чехов)-ЧЗЭМ" - on-line консультации по арматуре - Изображение


Вернуться к началу
  Ответить с цитатой Ответить на тему  Профиль   Рейтинг: 0  
Непрочитанное сообщениеДобавлено: 13 апр 2022, 13:51 
Не в сети
Аватара пользователя

Зарегистрирован: 03 янв 2022, 19:14
Сообщения: 64
Откуда: СГРЭС-2
Благодарил (а): 7 раз.
Поблагодарили: 4 раз.
Заслуженная репутация: 0
 Ответить с цитатой Ответить на тему 
Спасибо. Вы мне эскиз присылали, подскажите это кто то уже переделывал эти клапана?


"Энергомаш (Чехов)-ЧЗЭМ" - on-line консультации по арматуре / 20180113_175140-1.jpg
6.95 КБ, Просмотров: 79535
Вернуться к началу
  Ответить с цитатой Ответить на тему  Профиль   Рейтинг: 0  
Непрочитанное сообщениеДобавлено: 13 апр 2022, 13:56 
Не в сети
Аватара пользователя

Зарегистрирован: 02 дек 2010, 14:02
Сообщения: 701
Откуда: г. Чехов
Благодарил (а): 8 раз.
Поблагодарили: 149 раз.
Заслуженная репутация: 12
Бравый Арматурщик
 Ответить с цитатой Ответить на тему 
Тараканов Юрий7 писал(а):

Спасибо. Вы мне эскиз присылали, подскажите это кто то уже переделывал эти клапана?
Я такой эскиз Вам не отправлял, может это Уставший направил, он писал выше про модернизация по рекомендациям ОРГРЭС

_________________
ЧЗЭМ - качество проверенное временем!

"Энергомаш (Чехов)-ЧЗЭМ" - on-line консультации по арматуре - Изображение


Вернуться к началу
  Ответить с цитатой Ответить на тему  Профиль   Рейтинг: 0  
Непрочитанное сообщениеДобавлено: 22 апр 2022, 22:43 
Не в сети

Зарегистрирован: 30 ноя 2009, 09:50
Сообщения: 759
Благодарил (а): 191 раз.
Поблагодарили: 191 раз.
Заслуженная репутация: 14
Бравый Арматурщик
 Ответить с цитатой Ответить на тему 
Тараканов Юрий7 писал(а):

Спасибо. Вы мне эскиз присылали, подскажите это кто то уже переделывал эти клапана?


Это ОРГРЭС. 12570-25-0


Вернуться к началу
  Ответить с цитатой Ответить на тему  Профиль   Рейтинг: 0  
Непрочитанное сообщениеДобавлено: 22 апр 2022, 22:45 
Не в сети

Зарегистрирован: 30 ноя 2009, 09:50
Сообщения: 759
Благодарил (а): 191 раз.
Поблагодарили: 191 раз.
Заслуженная репутация: 14
Бравый Арматурщик
 Ответить с цитатой Ответить на тему 
ЧЗЭМ писал(а):

Тараканов Юрий7 писал(а):

Спасибо. Вы мне эскиз присылали, подскажите это кто то уже переделывал эти клапана?
Я такой эскиз Вам не отправлял, может это Уставший направил, он писал выше про модернизация по рекомендациям ОРГРЭС


Да. Было дело. Кому то отправлял. Это покойного Какузина В Б. разработки.
Кстати. Вот Вы придерживается мнения, что плоская уплотнительная поверхность лучше! А как же серия 586?


Вернуться к началу
  Ответить с цитатой Ответить на тему  Профиль   Рейтинг: 0  
Непрочитанное сообщениеДобавлено: 27 май 2022, 10:01 
Не в сети

Зарегистрирован: 08 авг 2016, 22:36
Сообщения: 63
Благодарил (а): 3 раз.
Поблагодарили: 0 раз.
Заслуженная репутация: 0
 Ответить с цитатой Ответить на тему 
Добрый день! Помогите, пожалуйста с эскизом на червячное колесо н. ч. 825-Э-35. Спасибо


Вернуться к началу
  Ответить с цитатой Ответить на тему  Профиль   Рейтинг: 0  
Непрочитанное сообщениеДобавлено: 27 май 2022, 12:48 
Не в сети
Аватара пользователя

Зарегистрирован: 03 янв 2022, 19:14
Сообщения: 64
Откуда: СГРЭС-2
Благодарил (а): 7 раз.
Поблагодарили: 4 раз.
Заслуженная репутация: 0
 Ответить с цитатой Ответить на тему 
Добрый день подскажите пожалуйста марки приводов под
Клапан 1054-40-ЭА Ду40 Ру373,
Клапан 1057-65-Э Ду65 Ру98,
Клапан 1053-50-Э У3,
Задвижка 1120-100-Э Ду100 Ру373.
И марку электромагнита для Клапана 586-20-ЭМ-01


Вернуться к началу
  Ответить с цитатой Ответить на тему  Профиль   Рейтинг: 0  
Непрочитанное сообщениеДобавлено: 27 май 2022, 13:02 
Не в сети

Зарегистрирован: 13 авг 2013, 14:47
Сообщения: 28
Благодарил (а): 0 раз.
Поблагодарили: 3 раз.
Заслуженная репутация: 0
 Ответить с цитатой Ответить на тему 
оставлю здесь - может, кому-нибудь пригодится


Вернуться к началу
  Ответить с цитатой Ответить на тему  Профиль   Рейтинг: 0  
Непрочитанное сообщениеДобавлено: 16 июн 2022, 09:29 
Не в сети
Аватара пользователя

Зарегистрирован: 02 дек 2010, 14:02
Сообщения: 701
Откуда: г. Чехов
Благодарил (а): 8 раз.
Поблагодарили: 149 раз.
Заслуженная репутация: 12
Бравый Арматурщик
 Ответить с цитатой Ответить на тему 
Антон Павлович Чехов писал(а):

Добрый день! Помогите, пожалуйста с эскизом на червячное колесо н. ч. 825-Э-35. Спасибо

Добрый день! Эскиз колеса червячного 825-Э-35 Вы можете посмотреть во вложении.


825-Э-35 СБ.pdf [3.1 МБ]
Скачиваний: 1323

_________________
ЧЗЭМ - качество проверенное временем!

"Энергомаш (Чехов)-ЧЗЭМ" - on-line консультации по арматуре - Изображение
Вернуться к началу
  Ответить с цитатой Ответить на тему  Профиль   Рейтинг: 0  
Непрочитанное сообщениеДобавлено: 16 июн 2022, 09:38 
Не в сети
Аватара пользователя

Зарегистрирован: 02 дек 2010, 14:02
Сообщения: 701
Откуда: г. Чехов
Благодарил (а): 8 раз.
Поблагодарили: 149 раз.
Заслуженная репутация: 12
Бравый Арматурщик
 Ответить с цитатой Ответить на тему 
Тараканов Юрий7 писал(а):

Добрый день подскажите пожалуйста марки приводов под
Клапан 1054-40-ЭА Ду40 Ру373,
Клапан 1057-65-Э Ду65 Ру98,
Клапан 1053-50-Э У3,
Задвижка 1120-100-Э Ду100 Ру373.
И марку электромагнита для Клапана 586-20-ЭМ-01

Добрый день!
1. Клапан 1054-40-ЭА - электропривод встроенный 792-Э-0б-01
2. Клапан 1057-65-Э - электропривод встроенный 792-Э-0а-01
3. Клапан 1053-50-Э-У3 - электропривод встроенный 792-Э-0а-01-У3
4. Задвижка 1120-100-Э - электропривод встроенный 792-Э-0а
5. Клапан 586-20-ЭМ-01 - электромагнит КМП-4А2-00-У3; 220В ТУ 3458.012.00213575-98 или электромагнит КМП-4М4-34-У3 220В ТУ 3428-001-50397474-2005

_________________
ЧЗЭМ - качество проверенное временем!

"Энергомаш (Чехов)-ЧЗЭМ" - on-line консультации по арматуре - Изображение


Вернуться к началу
  Ответить с цитатой Ответить на тему  Профиль   Рейтинг: 0  
Непрочитанное сообщениеДобавлено: 16 июн 2022, 09:48 
Не в сети
Аватара пользователя

Зарегистрирован: 02 дек 2010, 14:02
Сообщения: 701
Откуда: г. Чехов
Благодарил (а): 8 раз.
Поблагодарили: 149 раз.
Заслуженная репутация: 12
Бравый Арматурщик
 Ответить с цитатой Ответить на тему 
Уставший писал(а):

Да. Было дело. Кому то отправлял. Это покойного Какузина В Б. разработки.
Кстати. Вот Вы придерживается мнения, что плоская уплотнительная поверхность лучше! А как же серия 586?

Ну, серия 586 клапанов была разработана давно, но в настоящее время в современных импульсных клапанах, в том числе и в серии 1150-25 (предназначенных для АЭС), используется уплотнение в затворе плоскость по плоскости. Да, их приходится притирать тщательно, и иногда на ПСИ они пропускают по затвору, и приходится разбирать и перетирать, но если всё сделать правильно, то они держат в ноль...

_________________
ЧЗЭМ - качество проверенное временем!

"Энергомаш (Чехов)-ЧЗЭМ" - on-line консультации по арматуре - Изображение


Вернуться к началу
  Ответить с цитатой Ответить на тему  Профиль   Рейтинг: 0  
Непрочитанное сообщениеДобавлено: 02 авг 2022, 16:26 
Не в сети

Зарегистрирован: 08 авг 2016, 22:36
Сообщения: 63
Благодарил (а): 3 раз.
Поблагодарили: 0 раз.
Заслуженная репутация: 0
 Ответить с цитатой Ответить на тему 
Здравствуйте! Помогите, пожалуйста, с эскизом на штифт 881-200-6А для задвижки 883-250-Э-01. Спасибо


Вернуться к началу
  Ответить с цитатой Ответить на тему  Профиль   Рейтинг: 0  
Непрочитанное сообщениеДобавлено: 05 сен 2022, 13:41 
Не в сети
Аватара пользователя

Зарегистрирован: 03 янв 2022, 19:14
Сообщения: 64
Откуда: СГРЭС-2
Благодарил (а): 7 раз.
Поблагодарили: 4 раз.
Заслуженная репутация: 0
 Ответить с цитатой Ответить на тему 
Здравствуйте. Подскажите пожалуйста есть у вас руководство по эксплуатации на ГПК 1029-200/250.


Вернуться к началу
  Ответить с цитатой Ответить на тему  Профиль   Рейтинг: 0  
Непрочитанное сообщениеДобавлено: 05 сен 2022, 14:08 
Не в сети
Аватара пользователя

Зарегистрирован: 02 дек 2010, 14:02
Сообщения: 701
Откуда: г. Чехов
Благодарил (а): 8 раз.
Поблагодарили: 149 раз.
Заслуженная репутация: 12
Бравый Арматурщик
 Ответить с цитатой Ответить на тему 
Тараканов Юрий7 писал(а):

Здравствуйте. Подскажите пожалуйста есть у вас руководство по эксплуатации на ГПК 1029-200/250.

Добрый день! РЭ на клапан 1029-200/250-0 Вы можете посмотреть во вложении.


1029-200_250-0 РЭ.pdf [4 МБ]
Скачиваний: 1326

_________________
ЧЗЭМ - качество проверенное временем!

"Энергомаш (Чехов)-ЧЗЭМ" - on-line консультации по арматуре - Изображение
Вернуться к началу
  Ответить с цитатой Ответить на тему  Профиль   Рейтинг: 0  
Непрочитанное сообщениеДобавлено: 05 сен 2022, 14:15 
Не в сети
Аватара пользователя

Зарегистрирован: 02 дек 2010, 14:02
Сообщения: 701
Откуда: г. Чехов
Благодарил (а): 8 раз.
Поблагодарили: 149 раз.
Заслуженная репутация: 12
Бравый Арматурщик
 Ответить с цитатой Ответить на тему 
Антон Павлович Чехов писал(а):

Здравствуйте! Помогите, пожалуйста, с эскизом на штифт 881-200-6А для задвижки 883-250-Э-01. Спасибо

Добрый день! Эскиз штифта 881-200-6А Вы можете посмотреть во вложении.


881-200-6А.pdf [1002.82 КБ]
Скачиваний: 1303

_________________
ЧЗЭМ - качество проверенное временем!

"Энергомаш (Чехов)-ЧЗЭМ" - on-line консультации по арматуре - Изображение
Вернуться к началу
  Ответить с цитатой Ответить на тему  Профиль   Рейтинг: 0  
Непрочитанное сообщениеДобавлено: 07 сен 2022, 11:28 
Не в сети
Аватара пользователя

Зарегистрирован: 03 янв 2022, 19:14
Сообщения: 64
Откуда: СГРЭС-2
Благодарил (а): 7 раз.
Поблагодарили: 4 раз.
Заслуженная репутация: 0
 Ответить с цитатой Ответить на тему 
Добрый день, при ремонте ГПК острого пара 1029-200/250-0 были обнаружены поверхностные трещины выходных патрубках клапана. С одной стороны понимаю что трещины это в любом случае плохо, с другой это выходные патрубки и давления там нет. Подскажите на сколько это серьезно.


"Энергомаш (Чехов)-ЧЗЭМ" - on-line консультации по арматуре / gpk.jpg
183.08 КБ, Просмотров: 72834 "Энергомаш (Чехов)-ЧЗЭМ" - on-line консультации по арматуре / Трещины на патрубках 2.jpg
134.65 КБ, Просмотров: 72834
Вернуться к началу
  Ответить с цитатой Ответить на тему  Профиль   Рейтинг: 0  
Непрочитанное сообщениеДобавлено: 28 сен 2022, 17:31 
Не в сети

Зарегистрирован: 12 окт 2021, 17:36
Сообщения: 1
Благодарил (а): 0 раз.
Поблагодарили: 0 раз.
Заслуженная репутация: 0
 Ответить с цитатой Ответить на тему 
Добрый день. На станции установлены регулирующие клапаны 1086-100-э и 976-100-э. Если есть возможность, прошу приложить сборочные чертежи со спецификациями для заказа запасных частей.


Вернуться к началу
  Ответить с цитатой Ответить на тему  Профиль   Рейтинг: 0  
Непрочитанное сообщениеДобавлено: 30 сен 2022, 08:39 
Не в сети
Аватара пользователя

Зарегистрирован: 02 дек 2010, 14:02
Сообщения: 701
Откуда: г. Чехов
Благодарил (а): 8 раз.
Поблагодарили: 149 раз.
Заслуженная репутация: 12
Бравый Арматурщик
 Ответить с цитатой Ответить на тему 
Федор ТЭЦ писал(а):

Добрый день. На станции установлены регулирующие клапаны 1086-100-э и 976-100-э. Если есть возможность, прошу приложить сборочные чертежи со спецификациями для заказа запасных частей.

Доброе утро! Сборочные чертежи и конструкторские спецификации на клапаны регулирующие 1086-100-Э и 976-100-Эа Вы можете посмотреть во вложении.


1086-100-Э.pdf [1.89 МБ]
Скачиваний: 1309
1086-100-Э СБ.pdf [2.79 МБ]
Скачиваний: 1360
976-100-Эа.pdf [2.57 МБ]
Скачиваний: 1283
976-100-Эа СБ.pdf [3.11 МБ]
Скачиваний: 1261

_________________
ЧЗЭМ - качество проверенное временем!

"Энергомаш (Чехов)-ЧЗЭМ" - on-line консультации по арматуре - Изображение
Вернуться к началу
  Ответить с цитатой Ответить на тему  Профиль   Рейтинг: 0  
Непрочитанное сообщениеДобавлено: 31 окт 2022, 11:49 
Не в сети
Аватара пользователя

Зарегистрирован: 03 янв 2022, 19:14
Сообщения: 64
Откуда: СГРЭС-2
Благодарил (а): 7 раз.
Поблагодарили: 4 раз.
Заслуженная репутация: 0
 Ответить с цитатой Ответить на тему 
Добрый день. На станции установлены ГПК острого пара 1029-200/250-0. Недавно мы запрашивал у вас эскизы запасных частей к клапану. На ваших эскизах седла высота бортика 75мм (приложение новое седло), на всех наших седлах высота этого бортика 40мм(приложение старое седло) видимо потому что все наши клапана выпушены до 2000 года и узел уплотнения седло-корпус рассчитан на 5 колец набивки сальниковой плетеной, а современные клапана на Комплект К-04П-260х220х20-КГФ-Г состоящий из 2-х колец. В связи с чем возник вопрос возможно изготовить и установить под сальниковое кольцо толщиной 35мм чтобы компенсировать этот размер. Или надо покупать новые седла?


"Энергомаш (Чехов)-ЧЗЭМ" - on-line консультации по арматуре / Седло 1029.jpg
107.44 КБ, Просмотров: 70651
Вернуться к началу
  Ответить с цитатой Ответить на тему  Профиль   Рейтинг: 0  
Непрочитанное сообщениеДобавлено: 31 окт 2022, 14:16 
Не в сети

Зарегистрирован: 13 авг 2013, 14:47
Сообщения: 28
Благодарил (а): 0 раз.
Поблагодарили: 3 раз.
Заслуженная репутация: 0
 Ответить с цитатой Ответить на тему 
Все написано в РД 153-34.1-39.605-2002. Там же и формулы для расчетов. РД никто не отменял.


Вернуться к началу
  Ответить с цитатой Ответить на тему  Профиль   Рейтинг: 0  
Непрочитанное сообщениеДобавлено: 02 ноя 2022, 08:50 
Не в сети
Аватара пользователя

Зарегистрирован: 02 дек 2010, 14:02
Сообщения: 701
Откуда: г. Чехов
Благодарил (а): 8 раз.
Поблагодарили: 149 раз.
Заслуженная репутация: 12
Бравый Арматурщик
 Ответить с цитатой Ответить на тему 
Тараканов Юрий7 писал(а):

Добрый день. На станции установлены ГПК острого пара 1029-200/250-0. Недавно мы запрашивал у вас эскизы запасных частей к клапану. На ваших эскизах седла высота бортика 75мм (приложение новое седло), на всех наших седлах высота этого бортика 40мм(приложение старое седло) видимо потому что все наши клапана выпушены до 2000 года и узел уплотнения седло-корпус рассчитан на 5 колец набивки сальниковой плетеной, а современные клапана на Комплект К-04П-260х220х20-КГФ-Г состоящий из 2-х колец. В связи с чем возник вопрос возможно изготовить и установить под сальниковое кольцо толщиной 35мм чтобы компенсировать этот размер. Или надо покупать новые седла?

Добрый день, Юрий! Да, Вы можете изготовить кольцо высотой 35 мм для компенсации разницы в размерах при использовании комплекта К-04П-260х220х20-КГФ-Г, материал кольца – сталь 12Х1МФ ГОСТ 20072-74 (как и у седла). Кольцо желательно сделать по посадкам, чтобы его плотно посадить на седло.

_________________
ЧЗЭМ - качество проверенное временем!

"Энергомаш (Чехов)-ЧЗЭМ" - on-line консультации по арматуре - Изображение


Вернуться к началу
  Ответить с цитатой Ответить на тему  Профиль   Рейтинг: 0  
Непрочитанное сообщениеДобавлено: 20 дек 2022, 13:41 
Не в сети

Зарегистрирован: 08 авг 2016, 22:36
Сообщения: 63
Благодарил (а): 3 раз.
Поблагодарили: 0 раз.
Заслуженная репутация: 0
 Ответить с цитатой Ответить на тему 
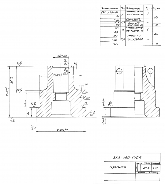
Добрый день! Помогите, пожалуйста с эскизом на крышку плавающую 882-150-14 для задвижки 887-150-Э 4,0Мпа 545С. Необходимы основные размеры (диаметр и глубина сальниковой камеры шпинделя, размеры и глубина уплотняющей поверхности под корпусной сальник, высота бурта но который опирается сальник, а также шероховатость поверхностей! Спасибо!


Вернуться к началу
  Ответить с цитатой Ответить на тему  Профиль   Рейтинг: 0  
Непрочитанное сообщениеДобавлено: 21 дек 2022, 09:24 
Не в сети
Аватара пользователя

Зарегистрирован: 02 дек 2010, 14:02
Сообщения: 701
Откуда: г. Чехов
Благодарил (а): 8 раз.
Поблагодарили: 149 раз.
Заслуженная репутация: 12
Бравый Арматурщик
 Ответить с цитатой Ответить на тему 
Антон Павлович Чехов писал(а):

Добрый день! Помогите, пожалуйста с эскизом на крышку плавающую 882-150-14 для задвижки 887-150-Э 4,0Мпа 545С. Необходимы основные размеры (диаметр и глубина сальниковой камеры шпинделя, размеры и глубина уплотняющей поверхности под корпусной сальник, высота бурта но который опирается сальник, а также шероховатость поверхностей! Спасибо!

Добрый день! Эскиз крышки 882-150-14 с необходимыми размерами Вы можете посмотреть во вложении.


"Энергомаш (Чехов)-ЧЗЭМ" - on-line консультации по арматуре / 882-150-14.jpg
136.82 КБ, Просмотров: 67818

_________________
ЧЗЭМ - качество проверенное временем!

"Энергомаш (Чехов)-ЧЗЭМ" - on-line консультации по арматуре - Изображение
Вернуться к началу
  Ответить с цитатой Ответить на тему  Профиль   Рейтинг: 0  
Непрочитанное сообщениеДобавлено: 21 дек 2022, 09:37 
Не в сети
Аватара пользователя

Зарегистрирован: 03 янв 2022, 19:14
Сообщения: 64
Откуда: СГРЭС-2
Благодарил (а): 7 раз.
Поблагодарили: 4 раз.
Заслуженная репутация: 0
 Ответить с цитатой Ответить на тему 
Вот что нашел в ОРГРЭСовском руководстве на ремонт задвижек


Вернуться к началу
  Ответить с цитатой Ответить на тему  Профиль   Рейтинг: 0  
Показать сообщения за:  Поле сортировки  
Начать новую тему Ответить на тему  Страница 32 из 34  [ Сообщений: 1697 ]  На страницу Пред.  1 ... 29, 30, 31, 32, 33, 34  След.

Быстрый ответ
Вы не можете оставлять комментарии и ответы, пожалуйста ЗАРЕГИСТРИРУЙТЕСЬ для возможности полноценного доступа к форумам этой ветки

Часовой пояс: UTC + 3 часа [ Летнее время ]


Кто сейчас на конференции

Сейчас этот форум просматривают: нет зарегистрированных пользователей и гости: 2


Вы не можете начинать темы
Вы не можете отвечать на сообщения
Вы не можете редактировать свои сообщения
Вы не можете удалять свои сообщения
Вы не можете добавлять вложения

Перейти: 
Powered by phpBB © 2000, 2002, 2005, 2007 phpBB Group [ Time : 2.457s | 184 Queries | GZIP : Off ]

@Mail.ru
Администрация портала не несёт ответственности за достоверность размещённой в сообщениях форума информации.