Часовой пояс: UTC + 3 часа [ Летнее время ]




Начать новую тему Ответить на тему
 Страница 1 из 1  [ Сообщений: 6 ] 
Автор Сообщение
Непрочитанное сообщениеДобавлено: 12 ноя 2015, 12:46 
Не в сети
Аватара пользователя

Зарегистрирован: 12 окт 2011, 08:13
Сообщения: 516
Откуда: Барнео
Благодарил (а): 3 раз.
Поблагодарили: 199 раз.
Заслуженная репутация: 6
Бравый Арматурщик
 Ответить с цитатой Ответить на тему 
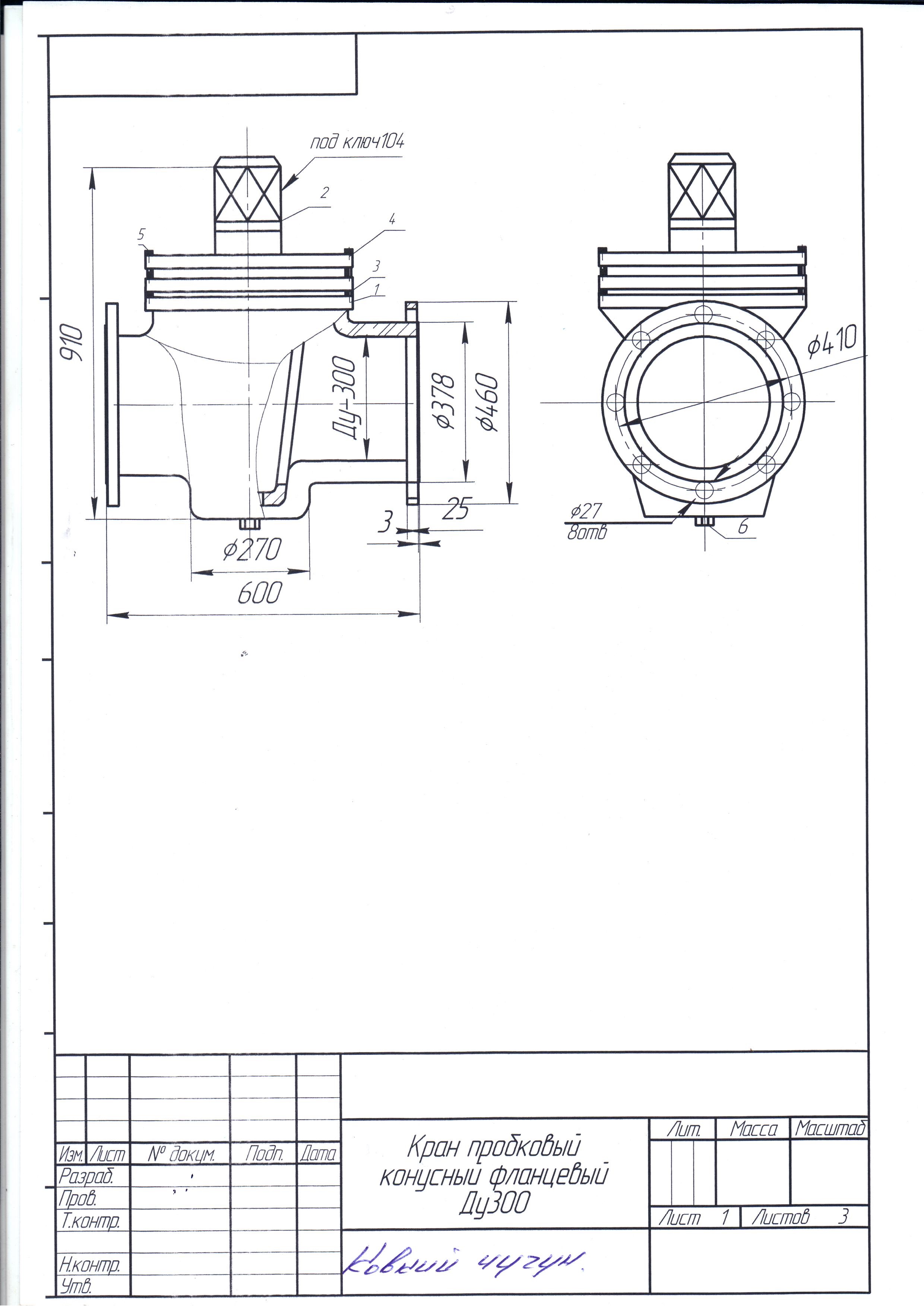
Здравствуйте, Уважаемые!

Подскажите, кто изготавливает или изготавливал краны пробковые Ду 300?
Существуют ли они в природе вообще?


Кран пробковый чугунный Ду 300 Кто делает (делал)? / 20150907_112459.jpg
786.77 КБ, Просмотров: 9342

_________________
Изготовление промышленного котельного и вспомогательного оборудования.
Вернуться к началу
  Ответить с цитатой Ответить на тему  Профиль   Рейтинг: 0  
Непрочитанное сообщениеДобавлено: 12 ноя 2015, 13:54 
Не в сети

Зарегистрирован: 17 июн 2013, 21:56
Сообщения: 3222
Благодарил (а): 354 раз.
Поблагодарили: 451 раз.
Заслуженная репутация: 22
Общепризнанный Арматурщик
 Ответить с цитатой Ответить на тему 
Serjio
Чугунные краны до200-го диаметра есть в номенклатуре Моспинского РМЗ (Востокуглемаш, Донецк).Запросите их.Хотя, шансов мало.В каталогах чугунные краны диаметра 300 не встречал.Ни в старых, ни в новых.А другие производители или померли или существуют в виртуальном пространстве.


Вернуться к началу
  Ответить с цитатой Ответить на тему  Профиль   Рейтинг: 0  
Непрочитанное сообщениеДобавлено: 14 ноя 2015, 01:06 
Не в сети
Аватара пользователя

Зарегистрирован: 08 июл 2010, 09:49
Сообщения: 3654
Благодарил (а): 33 раз.
Поблагодарили: 1199 раз.
Заслуженная репутация: 27
Общепризнанный АрматурщикОбщепризнанный Арматурщик
 Ответить с цитатой Ответить на тему 
Скориков Ю.И. писал(а):

Serjio
Чугунные краны до200-го диаметра есть в номенклатуре Моспинского РМЗ (Востокуглемаш, Донецк).Запросите их.Хотя, шансов мало.В каталогах чугунные краны диаметра 300 не встречал.Ни в старых, ни в новых.А другие производители или померли или существуют в виртуальном пространстве.

Краны пробковые, не копеечные существуют, их производят, но только для тех у кого деньги есть, хоть Ду 600, - деньги у вас есть, что вы спрашиваете?

_________________
погуглил и полегчало!
Smart questions, Smart answers, Smart People! (c) http://www.eng-tips.com


Вернуться к началу
  Ответить с цитатой Ответить на тему  Профиль   Рейтинг: 0  
Непрочитанное сообщениеДобавлено: 16 ноя 2015, 12:17 
Не в сети
Аватара пользователя

Зарегистрирован: 12 окт 2011, 08:13
Сообщения: 516
Откуда: Барнео
Благодарил (а): 3 раз.
Поблагодарили: 199 раз.
Заслуженная репутация: 6
Бравый Арматурщик
 Ответить с цитатой Ответить на тему 
Сибирячок писал(а):

что вы спрашиваете?

В заглавии темы написано: Кто делает (делал)?

_________________
Изготовление промышленного котельного и вспомогательного оборудования.


Вернуться к началу
  Ответить с цитатой Ответить на тему  Профиль   Рейтинг: 0  
Непрочитанное сообщениеДобавлено: 16 ноя 2015, 17:32 
Не в сети

Зарегистрирован: 17 июн 2013, 21:56
Сообщения: 3222
Благодарил (а): 354 раз.
Поблагодарили: 451 раз.
Заслуженная репутация: 22
Общепризнанный Арматурщик
 Ответить с цитатой Ответить на тему 
Serjio
В порядке информации о фирме XOMOX.


Кран пробковый чугунный Ду 300 Кто делает (делал)? / XOMOX.редукт.jpg
423.73 КБ, Просмотров: 8560
Вернуться к началу
  Ответить с цитатой Ответить на тему  Профиль   Рейтинг: 0  
Непрочитанное сообщениеДобавлено: 16 ноя 2015, 19:49 
Не в сети
Аватара пользователя

Зарегистрирован: 28 авг 2009, 18:13
Сообщения: 1257
Откуда: Омск - синоним слова "спорт"
Благодарил (а): 8 раз.
Поблагодарили: 348 раз.
Заслуженная репутация: 18
Бравый Арматурщик
 Ответить с цитатой Ответить на тему 
Serjio писал(а):

Сибирячок писал(а):

что вы спрашиваете?

В заглавии темы написано: Кто делает (делал)?

Там ещё второй вопрос есть: Существуют ли они в природе вообще?
Сибиряк ответил, что существуют. Но дорого стоят.
Юрий Иваныч подтвердил ссылкой на XOMOX.
Если посидеть минут 30-40, можно ещё нарыть с пяток производителей. Но они будут "оттуда". Не за рубли, естессно.

_________________
"Российское государство ведёт себя, как цыганское племя, которому легче переехать на новую территорию, чем привести в порядок свою..." Василий Ключевский (1841-1911)


Вернуться к началу
  Ответить с цитатой Ответить на тему  Профиль   Рейтинг: 0  
Показать сообщения за:  Поле сортировки  
Начать новую тему Ответить на тему  Страница 1 из 1  [ Сообщений: 6 ] 

Быстрый ответ
Вы не можете оставлять комментарии и ответы, пожалуйста ЗАРЕГИСТРИРУЙТЕСЬ для возможности полноценного доступа к форумам этой ветки

Часовой пояс: UTC + 3 часа [ Летнее время ]


Кто сейчас на конференции

Сейчас этот форум просматривают: нет зарегистрированных пользователей и гости: 104


Вы не можете начинать темы
Вы не можете отвечать на сообщения
Вы не можете редактировать свои сообщения
Вы не можете удалять свои сообщения
Вы не можете добавлять вложения

Перейти: 
Powered by phpBB © 2000, 2002, 2005, 2007 phpBB Group [ Time : 3.110s | 42 Queries | GZIP : Off ]

@Mail.ru
Администрация портала не несёт ответственности за достоверность размещённой в сообщениях форума информации.