1 Область применения
Настоящий стандарт распространяется на метрические резьбы общего назначения и устанавливает для них основной профиль. Диаметры и шаги метрической резьбы - по ГОСТ 8724. Основные размеры метрической резьбы - по ГОСТ 24705. Допуски резьбы - по ГОСТ 16093 и ГОСТ 9000.
Дополнительные требования, отражающие потребности экономики страны, выделены курсивом.
2 Нормативные ссылки
В настоящем стандарте использованы ссылки на следующие стандарты:
ГОСТ 8724-2002 Основные нормы взаимозаменяемости. Резьба метрическая. Диаметры и шаги
ГОСТ 9000-81 Основные нормы взаимозаменяемости. Резьба метрическая для диаметров менее 1 мм. Допуски
ГОСТ 11708-82 Основные нормы взаимозаменяемости. Резьба. Термины и определения.
ГОСТ 16093-81 Основные нормы взаимозаменяемости. Резьба метрическая. Допуски. Посадки с зазором.
ГОСТ 24705-81 Основные нормы взаимозаменяемости. Резьба метрическая. Основные размеры
3 Определения и обозначения
3.1 Термины и определения - по ГОСТ 11708.
3.2 В настоящем стандарте приняты следующие обозначения:
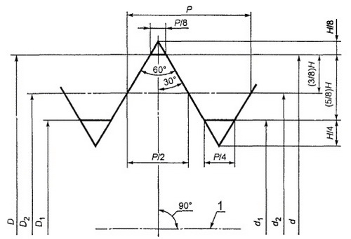
D - номинальный наружный диаметр внутренней резьбы (номинальный диаметр резьбы);
d - номинальный наружный диаметр наружной резьбы (номинальный диаметр резьбы);
D2 - номинальный средний диаметр внутренней резьбы;
d2 - номинальный средний диаметр наружной резьбы;
D1 - номинальный внутренний диаметр внутренней резьбы;
d1 - номинальный внутренний диаметр наружной резьбы;
H - высота исходного треугольника;
Р - шаг резьбы.
4 Основной профиль
4.1 Основной профиль метрической резьбы, общий для наружной и внутренней резьбы, должен соответствовать указанному на рисунке 1. Основной профиль показан утолщенной линией.
4.2 Номинальный профиль наружной и внутренней резьбы определяется основным профилем и дополнительными требованиями к форме впадины резьбы, устанавливаемыми ГОСТ 9000 (для резьб диаметром менее 1 мм) и ГОСТ 16093 (для резьб диаметром от 1 мм и более).

1 - ось резьбы
Рисунок 1
4.3 Размеры элементов основного профиля метрической резьбы должны соответствовать таблице 1.
Размеры элементов определены по следующим формулам
Таблица 1
В миллиметрах
| Шаг Р | H |
|
|
|
|
| 0,075 | 0,064952 | 0,040595 | 0,024357 | 0,016238 | 0,008119 |
| 0,08 | 0,069282 | 0,043301 | 0,025981 | 0,017321 | 0,008660 |
| 0,09 | 0,077942 | 0,048714 | 0,029228 | 0,019486 | 0,009743 |
| 0,1 | 0,086603 | 0,054127 | 0,032476 | 0,021651 | 0,010825 |
| 0,125 | 0,108253 | 0,067658 | 0,040595 | 0,027063 | 0,013532 |
| 0,15 | 0,129904 | 0,081190 | 0,048714 | 0,032476 | 0,016238 |
| 0,175 | 0,151554 | 0,094722 | 0,056833 | 0,037889 | 0,018944 |
| 0,2 | 0,173205 | 0,108253 | 0,064952 | 0,043301 | 0,021651 |
| 0,225 | 0,194856 | 0,121785 | 0,073071 | 0,048714 | 0,024357 |
| 0,25 | 0,216506 | 0,135316 | 0,081190 | 0,054127 | 0,027063 |
| 0,3 | 0,259808 | 0,162380 | 0,097428 | 0,064952 | 0,032476 |
| 0,35 | 0,303109 | 0,189443 | 0,113666 | 0,075777 | 0,037889 |
| 0,4 | 0,346410 | 0,216506 | 0,129904 | 0,086603 | 0,043301 |
| 0,45 | 0,389711 | 0,243570 | 0,146142 | 0,097428 | 0,048714 |
| 0,5 | 0,433013 | 0,270633 | 0,162380 | 0,108253 | 0,054127 |
| 0,6 | 0,519615 | 0,324760 | 0,194856 | 0,129904 | 0,064952 |
| 0,7 | 0,606218 | 0,378886 | 0,227332 | 0,151554 | 0,075777 |
| 0,75 | 0,649519 | 0,405949 | 0,243570 | 0,162380 | 0,081190 |
| 0,8 | 0,692820 | 0,433013 | 0,259808 | 0,173205 | 0,086603 |
| 1 | 0,866025 | 0,541266 | 0,324760 | 0,216506 | 0,108253 |
| 1,25 | 1,082532 | 0,676582 | 0,405949 | 0,270633 | 0,135316 |
| 1,5 | 1,299038 | 0,811899 | 0,487139 | 0,324760 | 0,162380 |
| 1,75 | 1,515544 | 0,947215 | 0,568329 | 0,378886 | 0,189443 |
| 2 | 1,732051 | 1,082532 | 0,649519 | 0,433013 | 0,216506 |
| 2,5 | 2,165063 | 1,353165 | 0,811899 | 0,541266 | 0,270633 |
| 3 | 2,598076 | 1,623798 | 0,974279 | 0,649519 | 0,324760 |
| 3,5 | 3,031089 | 1,894431 | 1,136658 | 0,757772 | 0,378886 |
| 4 | 3,464102 | 2,165063 | 1,299038 | 0,866025 | 0,433013 |
| 4,5 | 3,897114 | 2,435696 | 1,461418 | 0,974279 | 0,487139 |
| 5 | 4,330127 | 2,706329 | 1,623798 | 1,082532 | 0,541266 |
| 5,5 | 4,763140 | 2,976962 | 1,786177 | 1,190785 | 0,595392 |
| 6 | 5,196152 | 3,247595 | 1,948557 | 1,299038 | 0,649519 |
| 8 | 6,928203 | 4,330127 | 2,598076 | 1,732051 | 0,866025 |
← вернуться в раздел ГОСТ и нормативы по трубопроводной арматуре
← вернуться в оглавление справочника