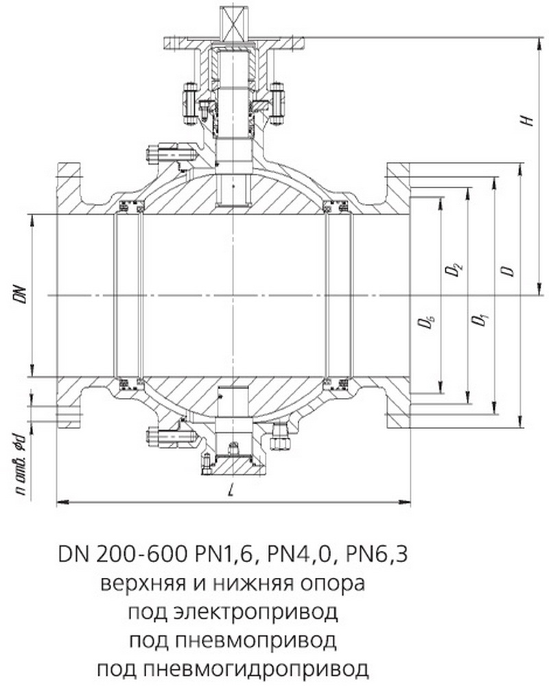
Краны шаровой полнопроходной


| PN | DN | L1* | L2** | D | D1 | D2 | Do | H | b | d | n | ||
| 1,6 | 10 | 130 | 108 | 95 | 65 | 47 | 130 | 59 | 12 | 14 | 4 | ||
| 15 | 130 | 108 | 95 | 65 | 47 | 130 | 59 | 12 | 14 | 4 | |||
| 20 | 150 | 117 | 105 | 75 | 58 | 130 | 63 | 12 | 14 | 4 | |||
| 25 | 160 | 127 | 115 | 85 | 68 | 160 | 75 | 12 | 14 | 4 | |||
| 32 | 180 | 140 | 135 | 100 | 78 | 160 | 85 | 13 | 18 | 4 | |||
| 40 | 200 | 165 | 145 | 110 | 88 | 230 | 95 | 13 | 18 | 4 | |||
| 50 | 230 | 178 | 160 | 125 | 102 | 230 | 107 | 13 | 18 | 4 | |||
| 65 | 290 | 190 | 180 | 145 | 122 | 400 | 142 | 15 | 18 | 4 | |||
| 80 | 310 | 203 | 195 | 160 | 133 | 400 | 152 | 17 | 18 | 4 | |||
| 100 | 350 | 229 | 215 | 180 | 158 | 650 | 178 | 17 | 18 | 8 | |||
| 125 | 400 | 356 | 245 | 210 | 184 | 1050 | 252 | 19 | 18 | 8 | |||
| 150 | 480 | 394 | 280 | 240 | 212 | 1050 | 272 | 19 | 22 | 8 | |||
| 200 | 600 | 457 | 335 | 295 | 268 | 1410 | 342 | 21 | 22 | 12 | |||
| 250 | 730 | 533 | 405 | 355 | 320 | 600 | 495 | 23 | 26 | 12 | |||
| 300 | 850 | 610 | 460 | 410 | 370 | 800 | 580 | 24 | 26 | 12 | |||
| 350 | 980 | 686 | 520 | 470 | 430 | 800 | 625 | 28 | 26 | 16 | |||
| 400 | 1100 | 762 | 580 | 525 | 482 | 800 | 670 | 32 | 30 | 16 | |||
| 500 | 1250 | 914 | 710 | 650 | 585 | 800 | 840 | 38 | 33 | 20 | |||
| 600 | 1450 | 1067 | 840 | 770 | 685 | 800 | 1050 | 41 | 39 | 20 | |||
| 4,0 | 10 | 130 | 140 | 95 | 65 | 47 | 130 | 59 | 14 | 14 | 4 | ||
| 15 | 130 | 140 | 95 | 65 | 47 | 130 | 59 | 14 | 14 | 4 | |||
| 20 | 150 | 152 | 105 | 75 | 58 | 130 | 63 | 14 | 14 | 4 | |||
| 25 | 160 | 165 | 115 | 85 | 68 | 160 | 75 | 14 | 14 | 4 | |||
| 32 | 180 | 178 | 135 | 100 | 78 | 160 | 85 | 16 | 18 | 4 | |||
| 40 | 200 | 190 | 145 | 110 | 88 | 230 | 95 | 16 | 18 | 4 | |||
| 50 | 230 | 216 | 160 | 125 | 102 | 230 | 107 | 17 | 18 | 4 | |||
| 65 | 290 | 241 | 180 | 145 | 122 | 400 | 142 | 19 | 18 | 8 | |||
| 80 | 310 | 283 | 195 | 160 | 133 | 400 | 152 | 21 | 18 | 8 | |||
| 100 | 350 | 305 | 230 | 190 | 158 | 650 | 178 | 23 | 22 | 8 | |||
| 125 | 400 | 381 | 270 | 220 | 184 | 1050 | 252 | 25 | 26 | 8 | |||
| 150 | 480 | 403 | 300 | 250 | 212 | 1050 | 272 | 27 | 26 | 8 | |||
| 200 | 600 | 502 | 375 | 320 | 285 | 1410 | 342 | 35 | 30 | 12 | |||
| 250 | 730 | 568 | 445 | 385 | 345 | 600 | 495 | 39 | 33 | 12 | |||
| 300 | 850 | 648 | 510 | 450 | 410 | 800 | 580 | 42 | 33 | 16 | |||
| 350 | 980 | 762 | 570 | 510 | 465 | 800 | 625 | 48 | 33 | 16 | |||
| 400 | 1100 | 838 | 655 | 585 | 535 | 800 | 670 | 54 | 39 | 16 | |||
| 500 | 1250 | 991 | 755 | 670 | 615 | 800 | 840 | 58 | 45 | 20 | |||
| 600 | 1450 | 1143 | 890 | 795 | 735 | 800 | 1050 | 58 | 52 | 20 | |||
| PN | DN | L1* | L2** | D | D1 | D2 | Do | H | b | d | n | ||||
| 6,3 | 10 | 165 | 105 | 75 | 47 | 40 | 130 | 59 | 16 | 14 | 4 | ||||
| 15 | 165 | 105 | 75 | 47 | 40 | 130 | 59 | 16 | 14 | 4 | |||||
| 20 | 190 | 125 | 90 | 58 | 51 | 130 | 63 | 18 | 18 | 4 | |||||
| 25 | 216 | 135 | 100 | 68 | 58 | 160 | 75 | 20 | 18 | 4 | |||||
| 32 | 229 | 150 | 110 | 78 | 66 | 160 | 85 | 21 | 22 | 4 | |||||
| 40 | 241 | 165 | 125 | 88 | 76 | 230 | 95 | 21 | 22 | 4 | |||||
| 50 | 292 | 175 | 135 | 102 | 88 | 230 | 107 | 23 | 22 | 4 | |||||
| 65 | 330 | 200 | 160 | 122 | 110 | 400 | 155 | 25 | 22 | 8 | |||||
| 80 | 356 | 210 | 170 | 133 | 121 | 400 | 197 | 27 | 22 | 8 | |||||
| 100 | 432 | 250 | 200 | 158 | 150 | 600 | 235 | 29 | 26 | 8 | |||||
| 125 | 508 | 295 | 240 | 184 | 176 | 600 | 265 | 33 | 30 | 8 | |||||
| 150 | 559 | 340 | 280 | 212 | 204 | 600 | 300 | 35 | 33 | 8 | |||||
| 200 | 660 | 405 | 345 | 285 | 260 | 800 | 374 | 41 | 33 | 12 | |||||
| 250 | 787 | 470 | 400 | 345 | 313 | 800 | 445 | 45 | 39 | 12 | |||||
| 300 | 838 | 530 | 460 | 410 | 364 | 800 | 512 | 50 | 39 | 16 | |||||
| 350 | 889 | 595 | 525 | 465 | 422 | 800 | 550 | 56 | 39 | 16 | |||||
| 400 | 991 | 670 | 585 | 535 | 474 | 800 | 615 | 62 | 45 | 16 | |||||
| 500 | 1194 | 800 | 705 | 615 | 576 | 800 | 810 | 66 | 52 | 20 | |||||
| 600 | 1397 | 925 | 820 | 735 | 678 | 800 | 1050 | 71 | 56 | 20 | |||||
Предыдущая статья
Следующая статья
← вернуться в раздел Завода Знамя Труда г.Санкт-Петербург - каталог продукции
← вернуться в оглавление справочника