вид  
5 Мая 2026г, Вторник€ — 88.2651,  $ — 75.4388загрузить приложение Armtorg.News для Андроидзагрузить приложение Armtorg.News для iphone




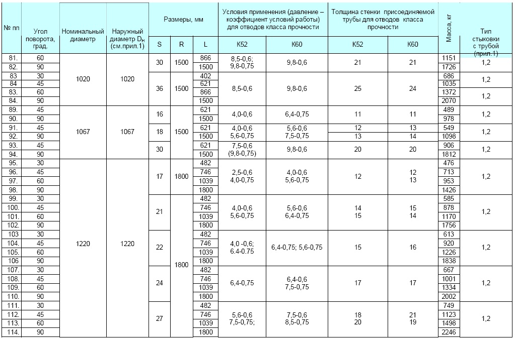
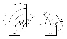
Отводы штампосварные ТУ 102-488-05, ГазТУ 102-488/1-05, ТУ 1469-006-04834179-2006

ПОИСК

Отводы штампосварные ТУ 102-488-05, ГазТУ 102-488/1-05, ТУ 1469-006-04834179-2006 Отводы штампосварные ТУ 102-488-05, ГазТУ 102-488/1-05, ТУ 1469-006-04834179-2006









Предыдущая статья Следующая статья


← вернуться в раздел ГОСТ 12.2.085-2002 Сосуды, работающие под давлением. Клапаны предохранительные. Требования безопасно
← вернуться в оглавление справочника

Последние зарегистрированные компании(Зарегистрировать компанию)

Azizcan international

Azizcan international

Нидерланды

China Lutong Part Plant

China Lutong Part Plant

Китай, Вэнджоу (Wenzhou)

Nitu chemical co.ltd

Nitu chemical co.ltd

Нидерланды


Облако товаров
.Другое ....2103 Блоки предохранительных клапанов166 Вентили бронзовые161 Вентили стальные933 Вентили чугунные555 Вентили энергетические146 Задвижки нержавеющие373 Задвижки стальные2167 Задвижки стальные - ХЛ371 Задвижки чугунные1107 Задвижки энергетические87 Затворы стальные304 Затворы чугунные338 Испытательное оборудование для ТПА119 Клапана обратные970 Клапана отсечные61 Клапана предохранительные1127 Клапана регулирующие575 Клапана энергетические128 Компенсаторы сильфонные203 Конденсатоотводчики стальные63 Конденсатоотводчики чугунные70 Котельное оборудование220 Краны бронзовые149 Краны нержавеющие181 Краны стальные610 Краны стальные - ХЛ87 Краны чугунные149 Манометры88 Метизы433 Насосы247 Отводы1069 Отопительное оборудование96 Переключающие устройства46 Переходы441 Пожарная арматура48 Радиаторы33 Регулирующая арматура369 Ремонтное оборудование для ТПА53 Счетчики воды176 Термометры57 Тройники492 Трубы1157 Указатели уровня72 Уплотнительные материалы67 Фильтры, грязевики410 Фитинги206 Фланцы2414 Шаровые краны1251 Электроприводы261