
| Технические условия | КПЛВ.494316.001ТУ | |
| Сертификат соответствия | РОСС RU.АЯ27.В21202 | с 28.11.2008 по 27.11.2011 |
| Разрешение на применение | РРС 00-33138 | с16.02.2009 по 16.02.2014 |
| Номинальный диаметр, DN, мм | 15; 20; 25; 32; 40 | ||
| Давление номинальное, РN, МПа | 0,6; 1,0; 1,6; 2,5; 4,0; 6,3; 10,0; 16,0 | ||
| Герметичность затвора (допустимые протечки) | По ГОСТ 11823-91(не более 1см?/мин воды) | ||
| Коэффициент гидравлического сопротивления | не более 8 | ||
| Скорость рабочей среды (max) | Тип среды | Газообразная среда | Жидкая среда |
| м/с | 15,0 | 2,5 | |
| Перепад давления, необходимый | 0,03 | ||
| Рабочая среда | жидкая и газообразная, взрывопожароопасная, токсичная, | |||
| Температура рабочей среды, °С | Ст. 20 | Ст. 09Г2С | 12Х18Н10Т | 10Х17Н13М3Т |
| от – 40 до +350 | от – 60 до +450 | от – 70 до +450* | от – 70 до +450 | |
| Климатическое исполнение | У1 | ХЛ1 | ||
| Температура окружающей среды, °С | от – 40 до + 50 | от – 60 до + 50 | ||
| Направление подачи рабочей среды | Под золотник | |||
| Установочное положение | Любое | |||
| Присоединение к трубопроводу | Муфтовое; Ниппельное; Фланцевое | |||
| Корпус, крышка, | исп. У1 | исп. ХЛ1 | |||
| До 4,0МПа | До 16,0МПа | ||||
| Сталь 20 | Сталь 09Г2С | Сталь 12Х18Н10Т | Сталь 10Х17Н13М3Т | ||
| Седло | Наплавка | ||||
| Втулка | Сталь 20Х13 | Сталь 07Х16Н4Б | 12Х18Н10Т | Сталь 10Х17Н13М3Т | |
| Шток | Сталь 20Х13 | Сталь 07Х16Н4Б | 12Х18Н10Т | Сталь 10Х17Н13М3Т | |
| Пружина | Сталь 65Г* | Сталь 12Х18Н10Т** | ХН77ТЮР | ||
| Сталь 12Х18Н10Т | ХН77ТЮР | ||||
| Уплотнение крышки | Терморасширенный графит | ||||
| Назначенный срок службы, лет | 20 |
| Назначенный ресурс, циклов | 3000 |
| Средняя наработка на отказ, не менее циклов | 500 |

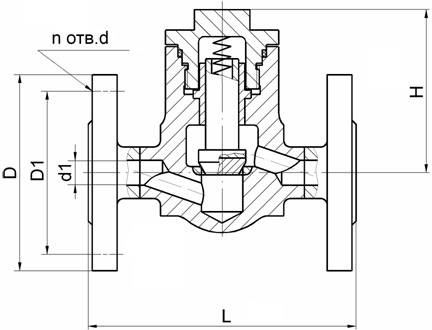
Обозначение | Исполнение | DN | PN | D* | L | H | Масса |
| КПЛВ.494316.001-00; -02; -04 | 15 | 1,6…4,0 | G ? | 90 | 80 | 1,9 | |
| КПЛВ.494316.001-00; -02; -05; -07 | 1,6…10,0 | ||||||
| КПЛВ.494316.001-01; -03; -06; -08 | 16,0 | ||||||
| КПЛВ.494316.002-00; -02; -04 | 20 | 1,6…4,0 | G ? | 110 | 80 | 2,3 | |
| КПЛВ.494316.001-00; -02; -05; -07 | 1,6…10,0 | ||||||
| КПЛВ.494316.001-01; -03; -06; -08 | 16,0 | ||||||
| КПЛВ.494316.003-00; -02; -04 | 25 | 1,6…4,0 | G 1 | 130 | 80 | 3,1 | |
| КПЛВ.494316.001-00; -02; -05; -07 | 1,6…10,0 | ||||||
| КПЛВ.494316.001-01; -03; -06; -08 | 16,0 | ||||||
| КПЛВ.494316.004-00; -02; -04 | 32 | 1,6…4,0 | G 1? | 150 | 105 | 4,7 | |
| КПЛВ.494316.001-00; -02; -05; -07 | 1,6…10,0 | ||||||
| КПЛВ.494316.001-01; -03; -06; -08 | 16,0 | ||||||
| КПЛВ.494316.005-00; -02; -04 | 40 | 1,6…4,0 | G 1? | 170 | 105 | 7,0 | |
| КПЛВ.494316.001-00; -02; -05; -07 | 1,6…10,0 | ||||||
| КПЛВ.494316.001-01; -03; -06; -08 | 16,0 | ||||||

Обозначение | Исполнение | DN | PN | Исп-е фл-в* | D | d1 | D1 | d | n | L | H | Масса |
| КПЛВ.494316.001-18; -21; -24; -27 | 15 | 2,5; 4,0 | 1 | 95 | 12 | 65 | 14 | 4 | 130 | 80 | 3,2 | |
| КПЛВ.494316.001-19; -22; -25; -28 | 6,3; 10,0 | 7 | 105 | 75 | 175 | 3,9 | ||||||
| КПЛВ.494316.001-20; -23; -26; -29 | 16,0 | |||||||||||
| КПЛВ.494316.002-18; -21; -24; -27 | 20 | 2,5; 4,0 | 1 | 105 | 18 | 75 | 14 | 4 | 150 | 80 | 4,4 | |
| КПЛВ.494316.001-19; -22; -25; -28 | 6,3; 10,0 | 7 | 125 | 90 | 18 | 190 | 6,1 | |||||
| КПЛВ.494316.001-20; -23; -26; -29 | 16,0 | |||||||||||
| КПЛВ.494316.003-18; -21; -24; -27 | 25 | 2,5; 4,0 | 1 | 115 | 25 | 85 | 14 | 4 | 160 | 80 | 5,1 | |
| КПЛВ.494316.001-19; -22; -25; -28 | 6,3; 10,0 | 7 | 135 | 100 | 18 | 196 | 7,5 | |||||
| КПЛВ.494316.001-20; -23; -26; -29 | 16,0 | |||||||||||
| КПЛВ.494316.004-18; -21; -24; -27 | 32 | 2,5; 4,0 | 1 | 135 | 31 | 100 | 18 | 4 | 230 | 105 | 7,0 | |
| КПЛВ.494316.001-19; -22; -25; -28 | 6,3; 10,0 | 7 | 150 | 110 | 22 | 9,8 | ||||||
| КПЛВ.494316.001-20; -23; -26; -29 | 16,0 | |||||||||||
| КПЛВ.494316.005-18; -21; -24; -27 | 40 | 2,5; 4,0 | 1 | 145 | 38 | 110 | 18 | 4 | 240 | 105 | 9,5 | |
| КПЛВ.494316.001-19; -22; -25; -28 | 6,3; 10,0 | 7 | 165 | 37 | 125 | 22 | 12,7 | |||||
| КПЛВ.494316.001-20; -23; -26; -29 | 16,0 | |||||||||||

Обозначение | Исполнение | DN | PN | Исп-е фл-в* | D | d1 | D1 | d | n | L | H | Масса |
| КПЛВ.494316.001-18; -21; -24; -27 | 15 | 2,5; 4,0 | 1 | 95 | 12 | 65 | 14 | 4 | 130 | 80 | 3,2 | |
| КПЛВ.494316.001-19; -22; -25; -28 | 6,3; 10,0 | 7 | 105 | 75 | 175 | 3,9 | ||||||
| КПЛВ.494316.001-20; -23; -26; -29 | 16,0 | |||||||||||
| КПЛВ.494316.002-18; -21; -24; -27 | 20 | 2,5; 4,0 | 1 | 105 | 18 | 75 | 14 | 4 | 150 | 80 | 4,4 | |
| КПЛВ.494316.001-19; -22; -25; -28 | 6,3; 10,0 | 7 | 125 | 90 | 18 | 190 | 6,1 | |||||
| КПЛВ.494316.001-20; -23; -26; -29 | 16,0 | |||||||||||
| КПЛВ.494316.003-18; -21; -24; -27 | 25 | 2,5; 4,0 | 1 | 115 | 25 | 85 | 14 | 4 | 160 | 80 | 5,1 | |
| КПЛВ.494316.001-19; -22; -25; -28 | 6,3; 10,0 | 7 | 135 | 100 | 18 | 196 | 7,5 | |||||
| КПЛВ.494316.001-20; -23; -26; -29 | 16,0 | |||||||||||
| КПЛВ.494316.004-18; -21; -24; -27 | 32 | 2,5; 4,0 | 1 | 135 | 31 | 100 | 18 | 4 | 230 | 105 | 7,0 | |
| КПЛВ.494316.001-19; -22; -25; -28 | 6,3; 10,0 | 7 | 150 | 110 | 22 | 9,8 | ||||||
| КПЛВ.494316.001-20; -23; -26; -29 | 16,0 | |||||||||||
| КПЛВ.494316.005-18; -21; -24; -27 | 40 | 2,5; 4,0 | 1 | 145 | 38 | 110 | 18 | 4 | 240 | 105 | 9,5 | |
| КПЛВ.494316.001-19; -22; -25; -28 | 6,3; 10,0 | 7 | 165 | 37 | 125 | 22 | 12,7 | |||||
| КПЛВ.494316.001-20; -23; -26; -29 | 16,0 | |||||||||||
← вернуться в раздел
← вернуться в оглавление справочника